Описание
Характеристики
Отзывы
Описание
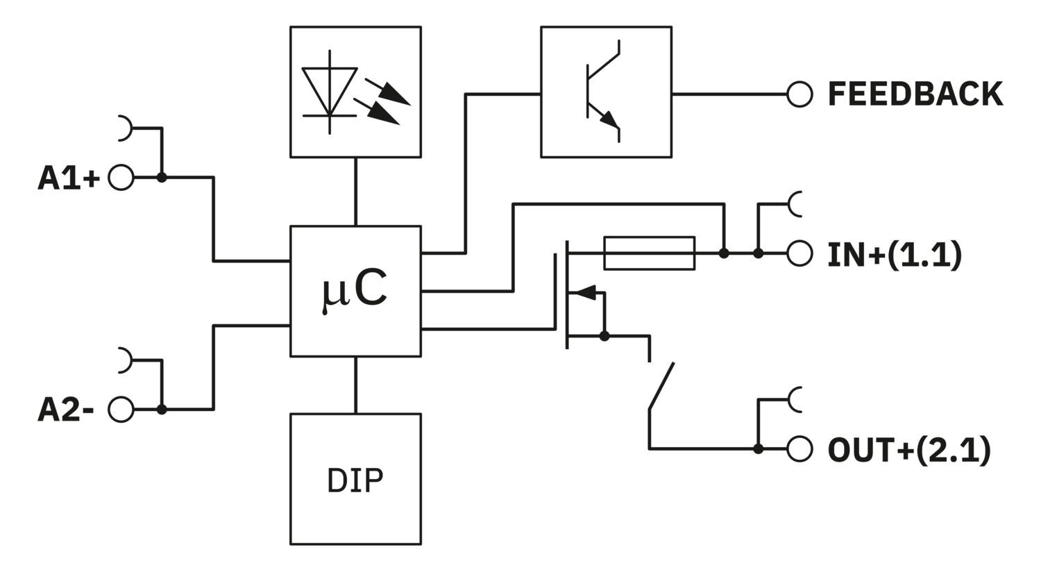
Комбинация релейного интерфейса и электронного устройства защиты по ширине: 6,2 мм, индивидуальная конфигурация номинального тока (1 A ... 6 A), регулируемая выходная характеристика, активный сигнальный выход, простая системная интеграция, с винтовым зажимом
Характеристики
Штрих-код
4063151620974
Размеры изделия
Размеры изделия
Товар доставляется
да
Рассеиваемая мощность
0,06 Вт (без нагрузки, A1 низкий)
Глубина
94 мм
Упаковочная единица
1
Минимальное количество, предусмотренное условиями заказа
1
Вес/шт. (с упаковкой)
44,01 g
Вес/шт. (без упаковки)
42,81 g
Склад-1
10
Склад-2
20
Валюта
RUR
Самовывоз
нет
Поддерживается на складе
нет
Дата обновления
2025-10-15T13:20:12.793
Ссылка на сайт производителя
https://www.phoenixcontact.com/ru-pc/produkty/elektronnyi-zasitnyi-vyklucatel-plc-rsc-24dc-1-cb1-6-1328357
Тип изделия
Релейный модуль
Категория перенапряжения
I
Степень загрязнения
2
Макс. мощность потерь при номинальных условиях
< 1,6 Вт
Тип подключения
Винтовые зажимы
Момент затяжки
0,45 Нм ... 0,55 Нм (В целом эти клеммы должны быть при соединении проводов зафиксированы (например удерживаться рукой или с помощью упоров для корпуса))
Длина снятия изоляции
8 мм
Сечение жесткого провода
0,2 мм² ... 2,5 мм²
Сечение проводника AWG
30 ... 12
Сечение гибкого провода
0,2 мм² ... 2,5 мм²
Ширина
6,2 мм
Высота
80 мм,
≤ 2000 м (без ухудшения характеристик)
Условия окружающей среды
Условия окружающей среды
Температура окружающей среды (при эксплуатации)
-25 °C ... 55 °C (Учитывать ограничение рабочих характеристик в собранном состоянии)
Температура окружающей среды (хранение/транспорт)
-40 °C ... 70 °C
Тип монтажа
Установка на монтажную рейку
Номер артикула
1328357
Ценовая группа
DK622F
Номер таможенного тарифа
85364190
Страна происхождения
DE
downloads
https://www.phoenixcontact.com/product/product/MTMyODM1Nw/downloads/8341898?_realm=pc&_locale=ru-PC&licenseTermsAccepted=false|https://www.phoenixcontact.com/product/product/MTMyODM1Nw/downloads/8342515?_realm=pc&_locale=ru-PC&licenseTermsAccepted=false
count
0
Серия изделий
PLC-INTERFACE
Допустимая отн. влажность воздуха (при эксплуатации)
95 %
Маркировка
UL 2367
Указания по эксплуатации
Для безопасной изоляции соседних модулей необходимо установить разделительную пластину PLC-ATP,
Многократные сильные короткие замыкания могут снизить интеграл плавления встроенного входного предохранителя.,
При переключении индуктивных нагрузок используйте подходящий безынерционный диод,
Если DIP-переключатели не закрыты соседним модулем, то для защиты от электростатического разряда необходимо использовать разделительную пластину PLC-ATP,
Устройство содержит компоненты, которые могут быть повреждены или разрушены электростатическим разрядом. При работе с устройством принимать необходимые меры защиты от электростатического разряда (ESD) согл. EN 61340-5-1 и EN 61340-5-2.,
Не подключать к соседним каналам смешанно БСНН / ЗСНН и опасное напряжение прикосновения.,
По отношению к соседним модулям в направлении монтажной рейки соблюдается как минимум функциональная изоляция.Если в приложении требуется более высокая степень изоляции (базовая или усиленная), то следует реализовать ее при помощи соответствующих мер (например, разделительных пластин).,
Не использовать для отделения токовых цепей БСНН / ЗСНН от других токовых цепей, поскольку безопасное разделение не гарантировано.
Применение
со встроенным электронным автоматическим выключателем
Режим работы
100 % ED,
Применение внутри помещений
Изоляция
Функциональная изоляция
Стандарты / нормативные документы
EN 61000-6-2,
МЭК 60664
Степень защиты (Место установки)
≥ IP54
Указания по монтажу
устанавливаются в ряд без промежутков
Монтажное положение
на выбор
UL, США / Канада
UL, США / Канада
Изоляционные характеристики: Воздушные пути и пути утечки
Изоляционные характеристики: Воздушные пути и пути утечки
Воздушные пути и пути утечки
Воздушные пути и пути утечки
Предохранитель
электрон.
Степень защиты
IP20
Ограничение верхнего предела напряжения
> 33 В
Рабочее напряжение (UN)
24 В DC (UIn+ - UA2)
Диапазон рабочих напряжений (DC)
19,2 В DC ... 30 В DC (UIn+ - UA2)
Потребляемый ток (In+)
12 мА
Ток срабатывания (IN)
1 A (pегулируется)
Допуск измерения
± 15 %
Коммутация: Переключающий вход A1
Коммутация: Переключающий вход A1
Номинальное напряжение включения
24 В (UA1 - UA2)
Диапазон напряжения включения
11 В ... 30 В (UA1 - UA2)
Диапазон напряжения выключения
0 В ... 2 В (UA1 - UA2)
Потребляемый ток (IA1)
4 мА (24 B)
Время включения
36 мс
Время отключения
10 мс
Частота коммутации
≤ 2,5 Гц
Цепь нагрузки: Силовой переключающий выход МОП-транзистора (положительное переключение)
Цепь нагрузки: Силовой переключающий выход МОП-транзистора (положительное переключение)
Падение напряжения
0,16 В (6 A, UIn+ - Uout)
Коммутационная способность короткого замыкания
100 A DC
Требуемые номиналы предохранителей
Необходимо только при Imax блока питания > отключающей способности короткого замыкания. Встроенный отказоустойчивый элемент
Отказоустойчивый элемент
15 A
Макс. емкостная нагрузка
12000 мкФ (В зависимости от настроек тока и доступного тока короткого замыкания)
Время на отключение ()
≤ 15 мс (Короткое замыкание ≥ 3 x IN)
Отключение при пониженном напряжении
≤ 17,8 В (активный)
Отключение при перегрузке
≥ 30,5 В (активный)
Время ожидания
5 c (Между импульсами)
Количество
5 (Попытки запуска в режиме Hiccup)
Оповещение: Контакт для обратной связи
Оповещение: Контакт для обратной связи
Выходное напряжение
UIn+ - 0,7 В (High-Pegel)
Ток (Максимальный ток)
≤ 20 мА
Условие состояния (Нормальный режим)
low
Условие состояния (Неисправность)
high (Сработал предохранитель)
Условие состояния (Режим Hiccup)
high (после завершения всех 5 попыток запуска)
Сечение жестких проводников (2 проводника одинакового сечения)
0,14 мм² ... 1,5 мм²
Сечение гибких проводников (2 проводника одинакового сечения)
0,5 мм² ... 1,5 мм² (Кабельный наконечник TWIN с пластмассовой втулкой)
Данные UL
Данные UL
Электромагнитная совместимость (ЭМС)
Электромагнитная совместимость (ЭМС)
Все характеристики
Отзывы
Отзывов еще никто не оставлял
Аналогичные товары
