Описание
Характеристики
Отзывы
Описание
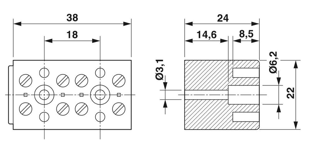
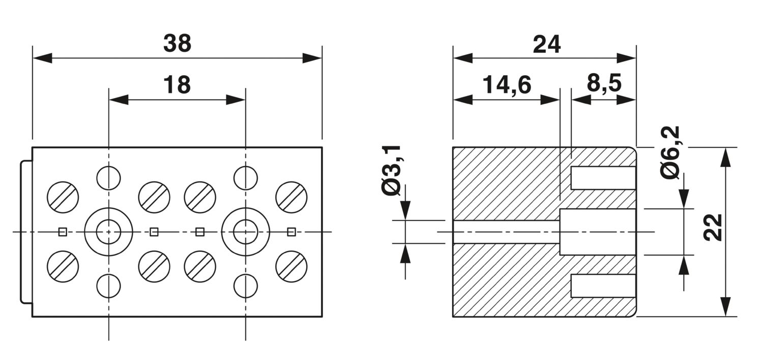
Клемма, номинальное напряжение: 500 В, номинальный ток: 32 A, количество точек подсоединения: 8, полюсов: 4, тип подключения: Винтовые зажимы, Расчетное сечение: 4 мм2, cечение: 0,2 мм2 - 4 мм2, тип монтажа: непосредственное резьбовое, цвет: cерый
Характеристики
Штрих-код
4017918061784
Габариты (ДxШxВ, см):
38x22x24
Номер артикула
2716046
статус на складе в Германии
На складе
Номинальное сечение
4 мм²
Количество рядов
1
Количество точек подключения
8
Глубина
24 мм
Упаковочная единица
50 Количество
Минимальное количество, предусмотренное условиями заказа
50 Количество
Цвет
серый (RAL 7042)
Валюта
RUR
Самовывоз
нет
Дата обновления
2026-04-06T03:56:29
Ссылка на сайт производителя
https://www.phoenixcontact.com/ru-kz/produkty/prokhodnaya-klemma-g-5-4-2716046
Тип изделия
Проходная клемма
Потенциалы
4
Категория перенапряжения
III
Степень загрязнения
3
Расчетное импульсное напряжение
6 кВ
Макс. мощность потерь при номинальных условиях
1,02 Вт
Количество точек подключения на ярус
8
Тип подключения
Винтовые зажимы
Резьба винтов
M3
Момент затяжки
0,6 ... 0,8 Нм
Длина снятия изоляции
8 мм
Калиберная пробка
A3
Сечение жесткого провода
0,2 мм² ... 4 мм²
Сечение проводника AWG
24 ... 12 (пересчитано согласно МЭК)
Сечение гибкого провода
0,2 мм² ... 4 мм²
Сечение гибкого проводника [AWG]
24 ... 12 (пересчитано согласно МЭК)
Сечение гибкого проводника (с кабельным наконечником без пластиковой втулки)
0,25 мм² ... 4 мм²
Сечение гибкого проводника (с кабельным наконечником и пластиковой втулкой)
0,25 мм² ... 2,5 мм²
2 жестких провода одинакового сечения
0,2 мм² ... 1,5 мм²
2 гибких провода одинакового сечения
0,2 мм² ... 1,5 мм²
2 гибких проводника одинакового сечения с кабельным наконечником без пластиковой втулки
0,25 мм² ... 1,5 мм²
2 гибких проводника одинакового сечения с наконечником TWIN с пластиковой втулкой
0,5 мм² ... 1 мм²
Номинальный ток
32 A
Максимальный ток нагрузки
32 A (для кабеля сечением 4 мм² Поперечное сечение)
Номинальное напряжение
500 В
Ширина
38 мм
Высота
22 мм
Класс воспламеняемости согласно UL 94
V0
Группа изоляционного материала
I
Изоляционный материал
PA
Открытая боковая стенка
Нет
Температура окружающей среды (при эксплуатации)
-5 °C ... 70 °C
Температура окружающей среды (хранение/транспорт)
-25 °C ... 60 °C (кратковременно, не более 24 ч, от -60 °C до +70 °C)
Температура окружающей среды (при монтаже)
-5 °C ... 70 °C
Допустимая влажность воздуха (хранение / транспортировка)
30 % ... 70 %
Тип монтажа
непосредственное резьбовое
Номер таможенного тарифа
85369010
Страна происхождения
TR
Серия изделий
G
Подключение согласно стандарту
МЭК 60947-7-1
Статическое использование изоляционного материала на холоде
-60 °C
Температурный индекс изоляционного материала (DIN EN 60216-1 (VDE 0304-21))
130 °C
Относительный температурный индекс изоляционного материала (Elec., UL 746 B)
130 °C
Испытательное напряжение, заданное значение
1,89 кВ
Результат
Испытание пройдено
Требования, испытание на нагревание
Повышение температуры ≤ 45 K
Скорость вращения
10 об/мин.
Повороты
135
Сечение провода / масса
0,2 мм²/0,2 кг
Время воздействия
30 c
Допустимая отн. влажность воздуха (при эксплуатации)
20 % ... 90 %
Противопожарная защита рельсовых ТС (DIN EN 45545-2) R22
HL 1 - HL 3
Противопожарная защита рельсовых ТС (DIN EN 45545-2) R23
HL 1 - HL 3
Противопожарная защита рельсовых ТС (DIN EN 45545-2) R24
HL 1 - HL 3
Противопожарная защита рельсовых ТС (DIN EN 45545-2) R26
HL 1 - HL 3
Калориметрическая теплоотдача NFPA 130 (ASTM E 1354)
28 MJ/kg
Воспламеняемость поверхности NFPA 130 (ASTM E 162)
имеется
Специфическая оптическая плотность дымовых газов NFPA 130 (ASTM E 662)
имеется
Токсичность дымовых газов NFPA 130 (SMP 800C)
имеется
Полюсов
4
Крепление скобами
При креплении изделия на монтажной поверхности необходимо осторожно затягивать средний винт так, чтобы не повредить корпус
Стойкость к кратковременным токам 4 мм²
0,48 кA
Диаметр отверстий
3,2 мм
Производитель
Phoenix Contact
Ключ изделия
BE1265
Товар поставляется стандартно
да
Поддерживается на складе в Германии
Да
Совместимые товары_1
https://www.phoenixcontact.com/kz/products/1401404, https://www.phoenixcontact.com/kz/products/2716499, https://www.phoenixcontact.com/kz/products/1205053
рекомендуется заказать также
https://www.phoenixcontact.com/kz/products/1755561,https://www.phoenixcontact.com/kz/products/2716033,https://www.phoenixcontact.com/kz/products/2716062,https://www.phoenixcontact.com/kz/products/2716020,https://www.phoenixcontact.com/kz/products/2716729,https://www.phoenixcontact.com/kz/products/1757132,https://www.phoenixcontact.com/kz/products/3036385,https://www.phoenixcontact.com/kz/products/2702898,https://www.phoenixcontact.com/kz/products/1703034
ECLASS-13.0
27141106
ECLASS-15.0
27141106
UNSPSC 21.0
39121400
CO2e кг
0,117 кг CO2e
ETIM 10.0
EC001284
Environment friendly use period (EFUP)
EFUP-50 Таблицу по декларации China RoHS для отдельных изделий можно посмотреть в разделе загрузок соответствующего изделия в «Заявлении производителя». Таблица по декларации China RoHS для всех изделий EFUP-E не требуется и не составляется.
Классификация
ECLASS ECLASS-13.0 27141106 ECLASS-15.0 27141106 ETIM ETIM 10.0 EC001284 UNSPSC UNSPSC 21.0 39121400
Отвечает требованиям Директивы RoHS
Да
Ссылка на описание 108769_ru_05.pdf
https://www.phoenixcontact.com/online/portal/ru?partnumber=2716046
Указание на вещество-кандидата согласно REACH (№ CAS)
Lead (№ CAS: 7439-92-1)
SCIP
afaf3197-00b5-42fb-b913-1cf17be21855
насколько известно, действует освобождение от исполнения требований
6(c)
Все характеристики
Отзывы
Отзывов еще никто не оставлял
