Описание
Характеристики
Отзывы
Описание
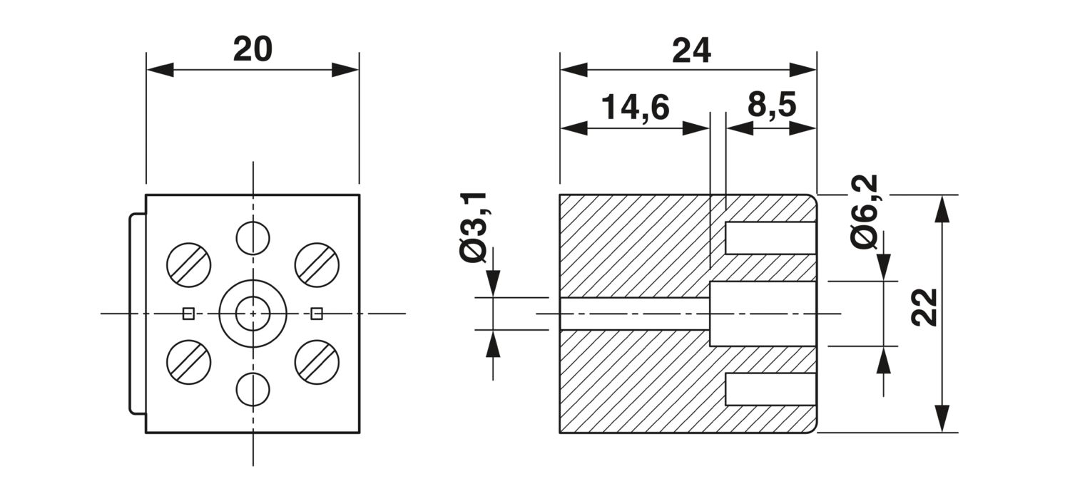
Клемма, номинальное напряжение: 500 В, номинальный ток: 32 A, количество точек подсоединения: 4, полюсов: 2, тип подключения: Винтовые зажимы, Расчетное сечение: 4 мм2, cечение: 0,2 мм2 - 4 мм2, тип монтажа: непосредственное резьбовое, цвет: cерый
Характеристики
Штрих-код
4017918061760
Габариты (ДxШxВ, см):
20x22x24
Номер артикула
2716020
статус на складе в Германии
На складе
Номинальное сечение
4 мм²
Количество рядов
1
Количество точек подключения
4
Глубина
24 мм
Упаковочная единица
50 Количество
Минимальное количество, предусмотренное условиями заказа
50 Количество
Цвет
серый (RAL 7042)
Валюта
RUR
Самовывоз
нет
Дата обновления
2026-04-06T03:56:29
Ссылка на сайт производителя
https://www.phoenixcontact.com/ru-kz/produkty/prokhodnaya-klemma-g-5-2-2716020
Тип изделия
Проходная клемма
Потенциалы
2
Категория перенапряжения
III
Степень загрязнения
3
Расчетное импульсное напряжение
6 кВ
Макс. мощность потерь при номинальных условиях
1,02 Вт
Количество точек подключения на ярус
4
Тип подключения
Винтовые зажимы
Резьба винтов
M3
Момент затяжки
0,6 ... 0,8 Нм
Длина снятия изоляции
8 мм
Калиберная пробка
A3
Сечение жесткого провода
0,2 мм² ... 4 мм²
Сечение проводника AWG
24 ... 12 (пересчитано согласно МЭК)
Сечение гибкого провода
0,2 мм² ... 4 мм²
Сечение гибкого проводника [AWG]
24 ... 12 (пересчитано согласно МЭК)
Сечение гибкого проводника (с кабельным наконечником без пластиковой втулки)
0,25 мм² ... 4 мм²
Сечение гибкого проводника (с кабельным наконечником и пластиковой втулкой)
0,25 мм² ... 2,5 мм²
2 жестких провода одинакового сечения
0,2 мм² ... 1,5 мм²
2 гибких провода одинакового сечения
0,2 мм² ... 1,5 мм²
2 гибких проводника одинакового сечения с кабельным наконечником без пластиковой втулки
0,25 мм² ... 1,5 мм²
2 гибких проводника одинакового сечения с наконечником TWIN с пластиковой втулкой
0,5 мм² ... 1 мм²
Номинальный ток
32 A
Максимальный ток нагрузки
32 A (для кабеля сечением 4 мм² Поперечное сечение)
Номинальное напряжение
500 В
Ширина
20 мм
Высота
22 мм
Класс воспламеняемости согласно UL 94
V0
Группа изоляционного материала
I
Изоляционный материал
PA
Открытая боковая стенка
Нет
Температура окружающей среды (при эксплуатации)
-5 °C ... 70 °C
Температура окружающей среды (хранение/транспорт)
-25 °C ... 60 °C (кратковременно, не более 24 ч, от -60 °C до +70 °C)
Температура окружающей среды (при монтаже)
-5 °C ... 70 °C
Допустимая влажность воздуха (хранение / транспортировка)
30 % ... 70 %
Тип монтажа
непосредственное резьбовое
Номер таможенного тарифа
85369010
Страна происхождения
TR
Серия изделий
G
Подключение согласно стандарту
МЭК 60947-7-1
Статическое использование изоляционного материала на холоде
-60 °C
Относительный температурный индекс изоляционного материала (Elec., UL 746 B)
130 °C
Испытательное напряжение, заданное значение
1,89 кВ
Результат
Испытание пройдено
Требования, испытание на нагревание
Повышение температуры ≤ 45 K
Скорость вращения
10 (+/- 2) об/мин.
Повороты
135
Сечение провода / масса
0,2 мм²/0,2 кг
Время воздействия
30 c
Допустимая отн. влажность воздуха (при эксплуатации)
20 % ... 90 %
Противопожарная защита рельсовых ТС (DIN EN 45545-2) R22
HL 1 - HL 3
Противопожарная защита рельсовых ТС (DIN EN 45545-2) R23
HL 1 - HL 3
Противопожарная защита рельсовых ТС (DIN EN 45545-2) R24
HL 1 - HL 3
Противопожарная защита рельсовых ТС (DIN EN 45545-2) R26
HL 1 - HL 3
Воспламеняемость поверхности NFPA 130 (ASTM E 162)
имеется
Специфическая оптическая плотность дымовых газов NFPA 130 (ASTM E 662)
имеется
Токсичность дымовых газов NFPA 130 (SMP 800C)
имеется
Полюсов
2
Крепление скобами
При креплении изделия на монтажной поверхности необходимо осторожно затягивать средний винт так, чтобы не повредить корпус
Спецификации по испытанию
DIN EN 50155 (VDE 0115-200):2022-06
Ассортимент
Испытания на долговечность, категория 2, на поворотной тележке
Частота
от f1 = 5 Гц до f2 = 250 Гц
ASD-уровень
6,12 (м/с²)²/Гц
Ускорение
5г
Продолжительность испытания на 1 ось
5 ч
Направление испытания
X-, Y- и Z-ось (положит. и отрицат.)
Форма удара
Полусинусоида
Продолжительность удара
30 мс
Количество ударов в 1 направлении
3
Стойкость к кратковременным токам 4 мм²
0,48 кA
Диаметр отверстий
3,2 мм
Производитель
Phoenix Contact
Ключ изделия
BE1265
Товар поставляется стандартно
да
Поддерживается на складе в Германии
Да
Совместимые товары_1
https://www.phoenixcontact.com/kz/products/1401404, https://www.phoenixcontact.com/kz/products/2720029, https://www.phoenixcontact.com/kz/products/1301407, https://www.phoenixcontact.com/kz/products/1205053
рекомендуется заказать также
https://www.phoenixcontact.com/kz/products/1703034,https://www.phoenixcontact.com/kz/products/2716033,https://www.phoenixcontact.com/kz/products/3031584,https://www.phoenixcontact.com/kz/products/3033139,https://www.phoenixcontact.com/kz/products/3033197,https://www.phoenixcontact.com/kz/products/2716046,https://www.phoenixcontact.com/kz/products/1757129,https://www.phoenixcontact.com/kz/products/1758034,https://www.phoenixcontact.com/kz/products/1714971
ECLASS-13.0
27141106
ECLASS-15.0
27141106
UNSPSC 21.0
39121400
CO2e кг
0,062 кг CO2e
ETIM 10.0
EC001284
Environment friendly use period (EFUP)
EFUP-50 Таблицу по декларации China RoHS для отдельных изделий можно посмотреть в разделе загрузок соответствующего изделия в «Заявлении производителя». Таблица по декларации China RoHS для всех изделий EFUP-E не требуется и не составляется.
Классификация
ECLASS ECLASS-13.0 27141106 ECLASS-15.0 27141106 ETIM ETIM 10.0 EC001284 UNSPSC UNSPSC 21.0 39121400
Отвечает требованиям Директивы RoHS
Да
Ссылка на описание 108769_ru_05.pdf
https://www.phoenixcontact.com/online/portal/ru?partnumber=2716020
Указание на вещество-кандидата согласно REACH (№ CAS)
Lead (№ CAS: 7439-92-1)
SCIP
916a3aff-76f0-4300-8975-c2f6caddb4e7
насколько известно, действует освобождение от исполнения требований
6(c)
Все характеристики
Отзывы
Отзывов еще никто не оставлял
