Описание
Характеристики
Отзывы
Описание
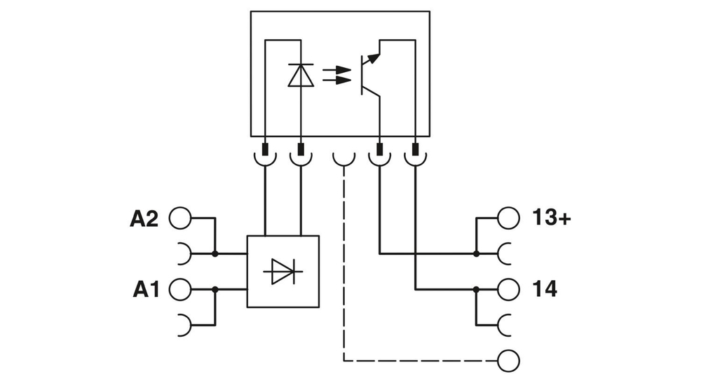
PLC-INTERFACE, состоит из основной клеммы для монтажной рейки с винтовым зажимом и вставным миниатюрным полупров. реле, вход: 120 В AC/110 В DC, выход: 3–48 В DC/100 мА, UL/cUL: допуск для применения во взрывоопасной зоне, класс I, разд. 2
Характеристики
Штрих-код
4046356683388
Товар доставляется
да
Предельный ток длительной нагрузки
100 мА
Глубина
94 мм
Упаковочная единица
10
Минимальное количество, предусмотренное условиями заказа
1
Вес/шт. (с упаковкой)
38,6 g
Вес/шт. (без упаковки)
33,33 g
Цвет
серый (RAL 7042)
Склад-1
10
Склад-2
20
Валюта
RUR
Самовывоз
нет
Поддерживается на складе
нет
Дата обновления
2025-10-15T13:20:12.793
Ссылка на сайт производителя
https://www.phoenixcontact.com/ru-pc/produkty/optopara-plc-osc-120uc-48dc-100-c1d2-5603263
Тип изделия
Модуль полупроводникового реле
Категория перенапряжения
III
Степень загрязнения
2
Макс. мощность потерь при номинальных условиях
0,42 Вт
Тип подключения
Винтовые зажимы
Резьба винтов
M3
Момент затяжки
0,6 Нм ... 0,8 Нм
Длина снятия изоляции
8 мм
Сечение жесткого провода
0,14 мм² ... 2,5 мм²
Сечение проводника AWG
26 ... 14
Сечение гибкого провода
0,14 мм² ... 2,5 мм²
Ширина
6,2 мм
Высота
80 мм
Условия окружающей среды
Условия окружающей среды
Температура окружающей среды (при эксплуатации)
-20 °C ... 60 °C
Температура окружающей среды (хранение/транспорт)
-40 °C ... 85 °C
Тип монтажа
Установка на монтажную рейку
Номер артикула
5603263
Ценовая группа
DK622K
Номер таможенного тарифа
85364900
Страна происхождения
DE
downloads
https://www.phoenixcontact.com/product/product/NTYwMzI2Mw/downloads/8099933?_realm=pc&_locale=ru-PC&licenseTermsAccepted=false|https://www.phoenixcontact.com/product/product/NTYwMzI2Mw/downloads/8101138?_realm=pc&_locale=ru-PC&licenseTermsAccepted=false
count
0
Серия изделий
PLC-INTERFACE
Маркировка
ISA-S71.04. G3 Harsh Group,
Class I, Zone 2, AEx nA nC IIC T6,
Class I, Div. 2, Groups A, B, C, D,
Class I, Zone 2, Ex nA nC IIC Gc T6 X
Применение
Класс I, раздел 2
Режим работы
100 % ED
Изоляционные характеристики: Стандарты / нормативные документы
Изоляционные характеристики: Стандарты / нормативные документы
Изоляция
Основная изоляция
Состояние обслуживания данных
Состояние обслуживания данных
Дата последней ревизии данных
15.09.2025
Стандарты / нормативные документы
Стандарты / нормативные документы,
МЭК 60947-5-1
Входное номинальное напряжение UN
120 В AC
Диапазон входных напряжений
108 В AC ... 132 В AC
Типовой входной ток при UN
3,5 мА
Защитная схема
Защита от переполюсовки; Диод защиты от переполюсовки,
Мостиковый выпрямитель; Мостиковый выпрямитель
Индикация рабочего напряжения
LED желт.
Исполнение контакта
1 замыкающий контакт
Класс воспламеняемости согласно UL 94 (Корпуса)
V0 (Корпус)
CE
CE
Сертификат
Соответствие требованиям ЕС
Испытание вредными газами
Испытание вредными газами
Указания по монтажу
устанавливаются в ряд без промежутков
Монтажное положение
на выбор
UL, США / Канада
UL, США / Канада
Испытательное напряжение (Вход/выход)
2,5 кВ (50 Гц, 1 мин., вход/выход)
Номинальное напряжение (вставное полупроводниковое реле)
60 В DC
Порог срабатывания, сигнал "0", относительно UN
≤ 0,3
Порог срабатывания, сигнал "1", относительно UN
≥ 0,9
Время включения, типовое
3 мс (Для UN)
Время отключения, типовое
4 мс (Для UN)
Частота передачи
10 Гц
Вид цифрового выхода
электронный
Диапазон выходного напряжения
3 В DC ... 48 В DC
Падение напряжения при макс. рабочем токе
≤ 1 В
Выходная коммутация
2 проводная, изолированная
Диапазон входных напряжений относительно UN
0,9 ... 1,1
UL, США
UL, США
UL, Канада
UL, Канада
Все характеристики
Отзывы
Отзывов еще никто не оставлял
