Описание
Характеристики
Отзывы
Описание
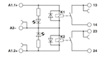
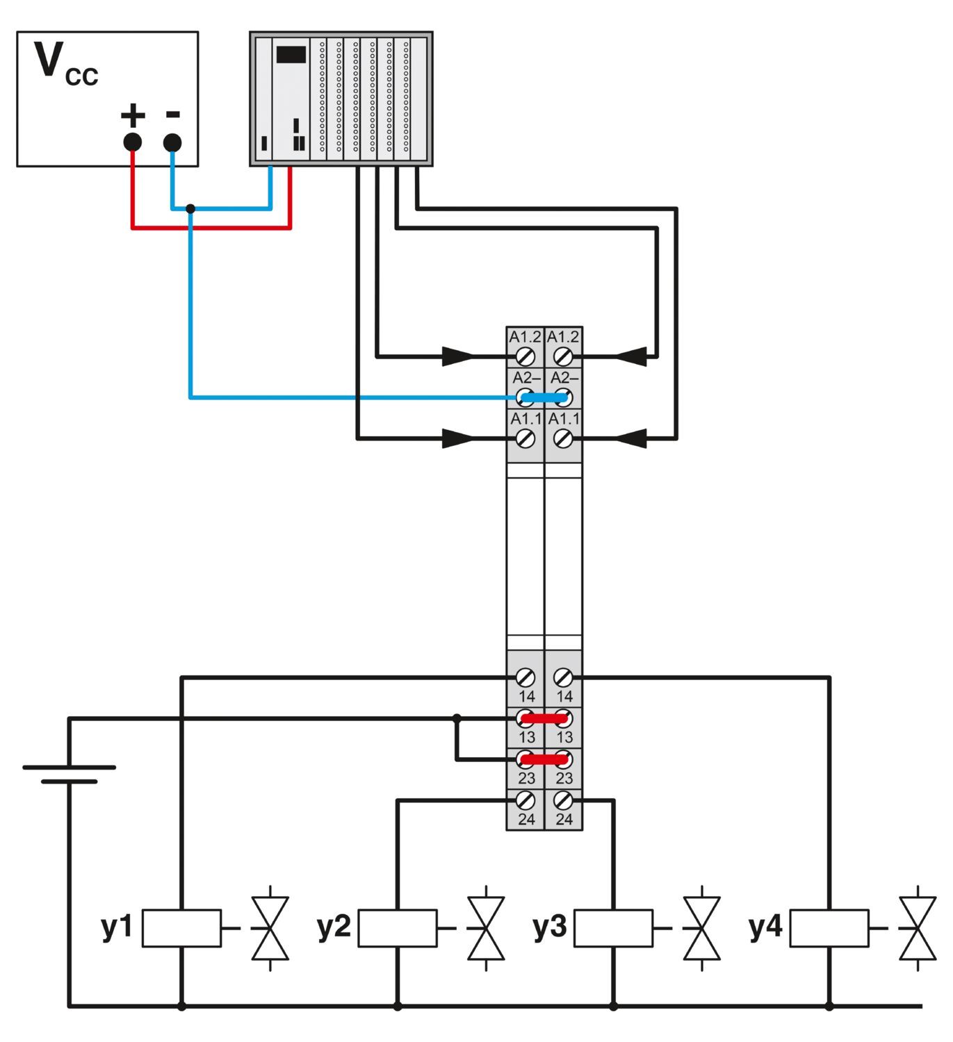
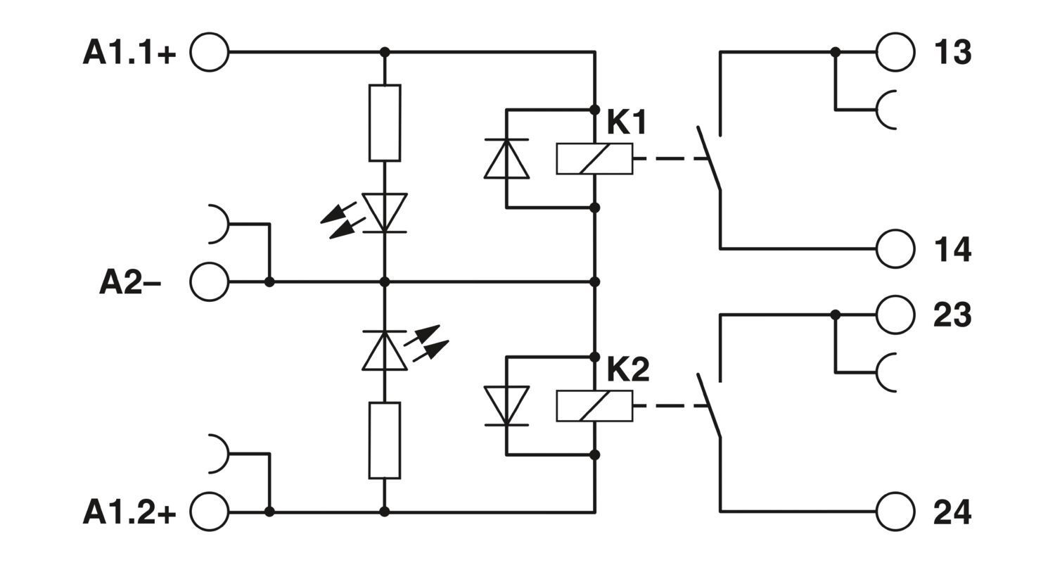
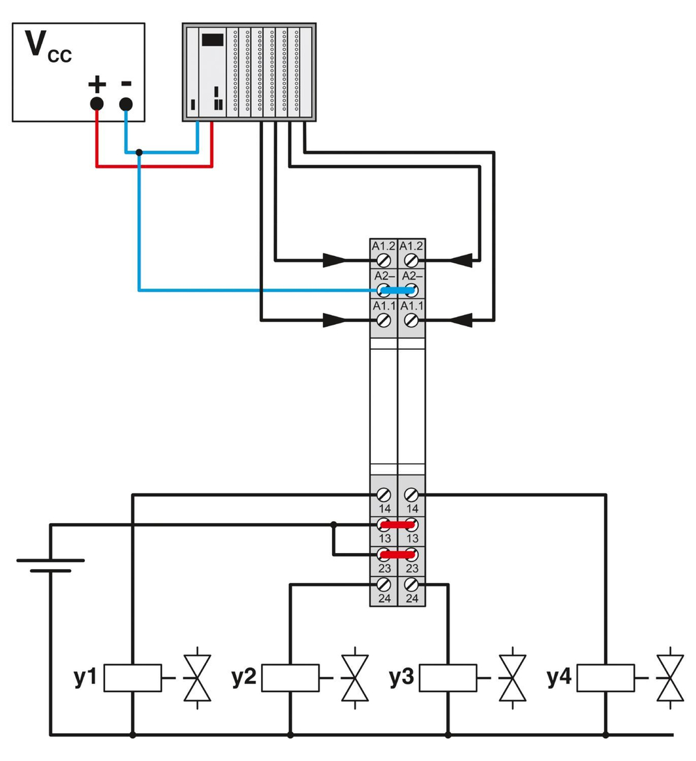
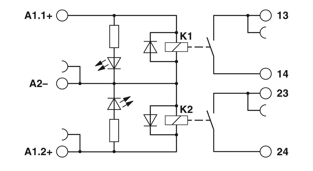
PLC-INTERFACE с двумя независимыми реле, состоит из основной клеммы PLC-BSС.../21 с винтовым соединением и двумя интегрированными силовыми контактами, для монтажной рейки NS 35/7,5, 2 х 1 замыкающих контакта, входное напряжение 24 В DC
Характеристики
Штрих-код
4046356451215
Номер артикула
2987309
Товар доставляется
да
Предельный ток длительной нагрузки
3,5 A
Глубина
94 мм
Преимущества_
Два переключающих канала в одном корпусе шириной 6,2 мм|На 100 % большая плотность расположения каналов по сравнению со стандартными реле 6,2 мм|Встроенная входная защитная схема|Безопасная развязка согласно DIN EN 50178 между обмоткой и контактами, а также между контактами|С винтовым соединением и зажимом Push-in
Упаковочная единица
10
Минимальное количество, предусмотренное условиями заказа
1
Вес/шт. (с упаковкой)
37,4 g
Вес/шт. (без упаковки)
34 g
Цвет
серый (RAL 7042)
Склад-1
10
Склад-2
20
Валюта
RUR
Самовывоз
нет
Поддерживается на складе
нет
Дата обновления
2025-10-15T13:20:12.793
Ссылка на сайт производителя
https://www.phoenixcontact.com/ru-pc/produkty/releinyi-modul-plc-2rsc-24dc-1-2987309
Тип изделия
Релейный модуль
Категория перенапряжения
III
Степень загрязнения
2
Расчетное импульсное напряжение
4 кВ
Макс. мощность потерь при номинальных условиях
0,17 Вт
Тип подключения
Винтовые зажимы
Резьба винтов
M3
Момент затяжки
0,45 Нм ... 0,55 Нм (В целом эти клеммы должны быть при соединении проводов зафиксированы (например удерживаться рукой или с помощью упоров для корпуса))
Длина снятия изоляции
8 мм
Сечение жесткого провода
0,14 мм² ... 2,5 мм²
Сечение проводника AWG
26 ... 14
Сечение гибкого провода
0,14 мм² ... 2,5 мм²
Ширина
6,2 мм
Высота
80 мм
Условия окружающей среды
Условия окружающей среды
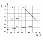
Температура окружающей среды (при эксплуатации)
-20 °C ... 60 °C
Температура окружающей среды (хранение/транспорт)
-20 °C ... 60 °C
Тип монтажа
Установка на монтажную рейку
Ценовая группа
DK6228
Номер таможенного тарифа
85364190
Страна происхождения
DE
downloads
https://www.phoenixcontact.com/product/product/Mjk4NzMwOQ/downloads/8067372?_realm=pc&_locale=ru-PC&licenseTermsAccepted=false|https://www.phoenixcontact.com/product/product/Mjk4NzMwOQ/downloads/8067727?_realm=pc&_locale=ru-PC&licenseTermsAccepted=false
count
0
Серия изделий
PLC-INTERFACE
Маркировка
ISA-S71.04. G3 Harsh Group
Расчетное напряжение изоляции
250 В AC
Применение
два встроенных реле
Режим работы
100 % ED
Долговечность механическая
2x 107 коммутационных циклов
Изоляция
Основная изоляция
Состояние обслуживания данных
Состояние обслуживания данных
Дата последней ревизии данных
12.09.2025
Испытательное напряжение (Обмотка/контакт)
3 кВ AC (50 Гц, 1 мин., обмотка/контакт)
Стандарты / нормативные документы
МЭК 60664
Активная часть
Активная часть
Входное номинальное напряжение UN
24 В DC
Диапазон входных напряжений
18 В DC ... 33,6 В DC (20 °C)
Логика работы привода
с одним устойчивым положением
Привод (полярность)
поляризованный
Типовой входной ток при UN
7 мА
Время срабатывания, типовое
4 мс
Время возврата, типовое
6 мс
Защитная схема
Защита от переполюсовки; Диод защиты от переполюсовки
Индикация рабочего напряжения
LED желт.
Коммутация
Коммутация
Исполнение контакта
2 замыкающих контакта
Тип коммутационного контакта
Одинарный контакт
Примечание к переключающему контакту
два встроенных реле
Материал контакта
AgNi
Максимальное напряжение переключения
250 В AC
Минимальное напряжение переключения
24 В AC/DC
Максимальный пусковой ток
5 A
Минимальный коммутационный ток
5 мА
Мощность отключения (активная нагрузка), максимальная
84 Вт (при 24 В DC)
Класс воспламеняемости согласно UL 94 (Корпуса)
V0 (Корпус)
Степень защиты (Установочный блок реле)
IP20 (Установочный блок реле)
CE
CE
Сертификат
Соответствие требованиям ЕС
Испытание вредными газами
Испытание вредными газами
Электромагнитная совместимость
Соответствует Директиве по ЭМС
Директива по низкому напряжению
Соответствие Директиве по низкому напряжению
Указания по монтажу
устанавливаются в ряд без промежутков
Монтажное положение
на выбор
Изоляционные характеристики: Воздушный путь и путь утечки между цепями
Изоляционные характеристики: Воздушный путь и путь утечки между цепями
Воздушный путь и путь утечки между цепями
Воздушный путь и путь утечки между цепями
Испытательное напряжение (Контакт/контакт)
3 кВ AC (50 Гц, 1 мин., контакт/контакт)
Все характеристики
Отзывы
Отзывов еще никто не оставлял
