Описание
Характеристики
Отзывы
Описание
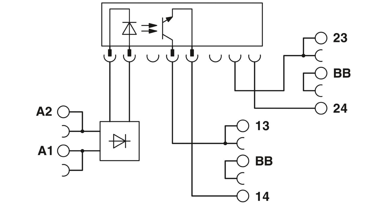
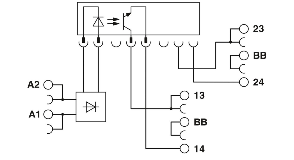
PLC-INTERFACE для функций вывода, состоит из основной клеммы PLC-BSC.../ACT с винтовым зажимом и вставным миниатюрным полупроводниковым реле, для монтажной рейки NS 35/7,5, 1 замыкающий контакт, вход: 24 В DC, выход: 3 ... 33 В DC/5 A
Характеристики
Штрих-код
4046356342841
Номер артикула
2982786
Товар доставляется
да
Предельный ток длительной нагрузки
5 A (См. график завис. пар.)
Глубина
94 мм
Преимущества_
Серия исполнительных устройств PLC с силовыми полупроводниковыми реле для сопряжения устройств управления и исполнительных устройств, например, двигателей, контакторов, клапанов и пр.
Упаковочная единица
10
Минимальное количество, предусмотренное условиями заказа
1
Вес/шт. (с упаковкой)
71,75 g
Вес/шт. (без упаковки)
67,818 g
Цвет
серый (RAL 7042)
Склад-1
10
Склад-2
20
Валюта
RUR
Самовывоз
нет
Поддерживается на складе
нет
Дата обновления
2025-10-15T13:20:12.793
Ссылка на сайт производителя
https://www.phoenixcontact.com/ru-pc/produkty/modul-poluprovodnikovogo-rele-plc-osc-24dc-24dc-5-act-2982786
Тип изделия
Модуль полупроводникового реле
Категория перенапряжения
III
Степень загрязнения
2
Макс. мощность потерь при номинальных условиях
0,22 Вт
Тип подключения
Винтовые зажимы
Резьба винтов
M3
Момент затяжки
0,6 Нм ... 0,8 Нм
Длина снятия изоляции
8 мм
Сечение жесткого провода
0,14 мм² ... 2,5 мм²
Сечение проводника AWG
26 ... 14
Сечение гибкого провода
0,14 мм² ... 2,5 мм²
Ширина
14 мм
Высота
80 мм
Условия окружающей среды
Условия окружающей среды
Температура окружающей среды (при эксплуатации)
-20 °C ... 60 °C
Температура окружающей среды (хранение/транспорт)
-25 °C ... 70 °C
Тип монтажа
Установка на монтажную рейку
Ценовая группа
DK6233
Номер таможенного тарифа
85364190
Страна происхождения
DE
downloads
https://www.phoenixcontact.com/product/product/Mjk4Mjc4Ng/downloads/7969792?_realm=pc&_locale=ru-PC&licenseTermsAccepted=false|https://www.phoenixcontact.com/product/product/Mjk4Mjc4Ng/downloads/8035319?_realm=pc&_locale=ru-PC&licenseTermsAccepted=false
count
0
Серия изделий
PLC-INTERFACE
Маркировка
ISA-S71.04. G3 Harsh Group
Применение
Функция вывода
Режим работы
100 % ED
Изоляционные характеристики: Стандарты / нормативные документы
Изоляционные характеристики: Стандарты / нормативные документы
Изоляция
Основная изоляция
Состояние обслуживания данных
Состояние обслуживания данных
Дата последней ревизии данных
15.09.2025
Стандарты / нормативные документы
Стандарты / нормативные документы,
МЭК 60947-5-1
Входное номинальное напряжение UN
24 В DC
Диапазон входных напряжений
19,2 В DC ... 28,8 В DC
Типовой входной ток при UN
9 мА
Защитная схема
Защита от переполюсовки; Диод защиты от переполюсовки
Индикация рабочего напряжения
LED желт.
Исполнение контакта
1 замыкающий контакт
Максимальный пусковой ток
15 A (10 мс)
Класс воспламеняемости согласно UL 94 (Корпуса)
V0 (Корпус)
CE
CE
Сертификат
Соответствие требованиям ЕС,
Соответствие требованиям UKCA,
TAE0000196
UKCA
UKCA
Разрешение на применение в судостроении
Разрешение на применение в судостроении
Испытание вредными газами
Испытание вредными газами
Данные судостроения
Данные судостроения
Temperature
D
Humidity
A
Вибрации
B/C
EMC
B
Enclosure
Required protection according to the Rules shall be provided upon installation on board
Электромагнитная совместимость
Соответствует Директиве по ЭМС
Директива по низкому напряжению
Соответствие Директиве по низкому напряжению
Указания по монтажу
устанавливаются в ряд без промежутков
Монтажное положение
см. Изменение хар-к
Испытательное напряжение (Вход/выход)
2,5 кВ (50 Гц, 1 мин., вход/выход)
Номинальное напряжение (вставное полупроводниковое реле)
24 В DC
Время включения, типовое
20 мкс
Время отключения, типовое
400 мкс
Частота передачи
300 Гц
Вид цифрового выхода
электронный
Диапазон выходного напряжения
3 В DC ... 33 В DC
Падение напряжения при макс. рабочем токе
≤ 200 мВ
Выходная коммутация
2 проводная, изолированная
Диапазон входных напряжений относительно UN
0,8 ... 1,2
Порог срабатывания, сигнал "0", напряжение
< 10,7 В
Порог срабатывания, сигнал "1", напряжение
> 16,7 В
Выходное номинальное напряжение
24 В DC
Ограничение верхнего предела напряжения
> 33 В DC
Все характеристики
Отзывы
Отзывов еще никто не оставлял
