Описание
Характеристики
Отзывы
Описание
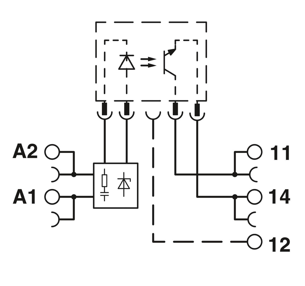
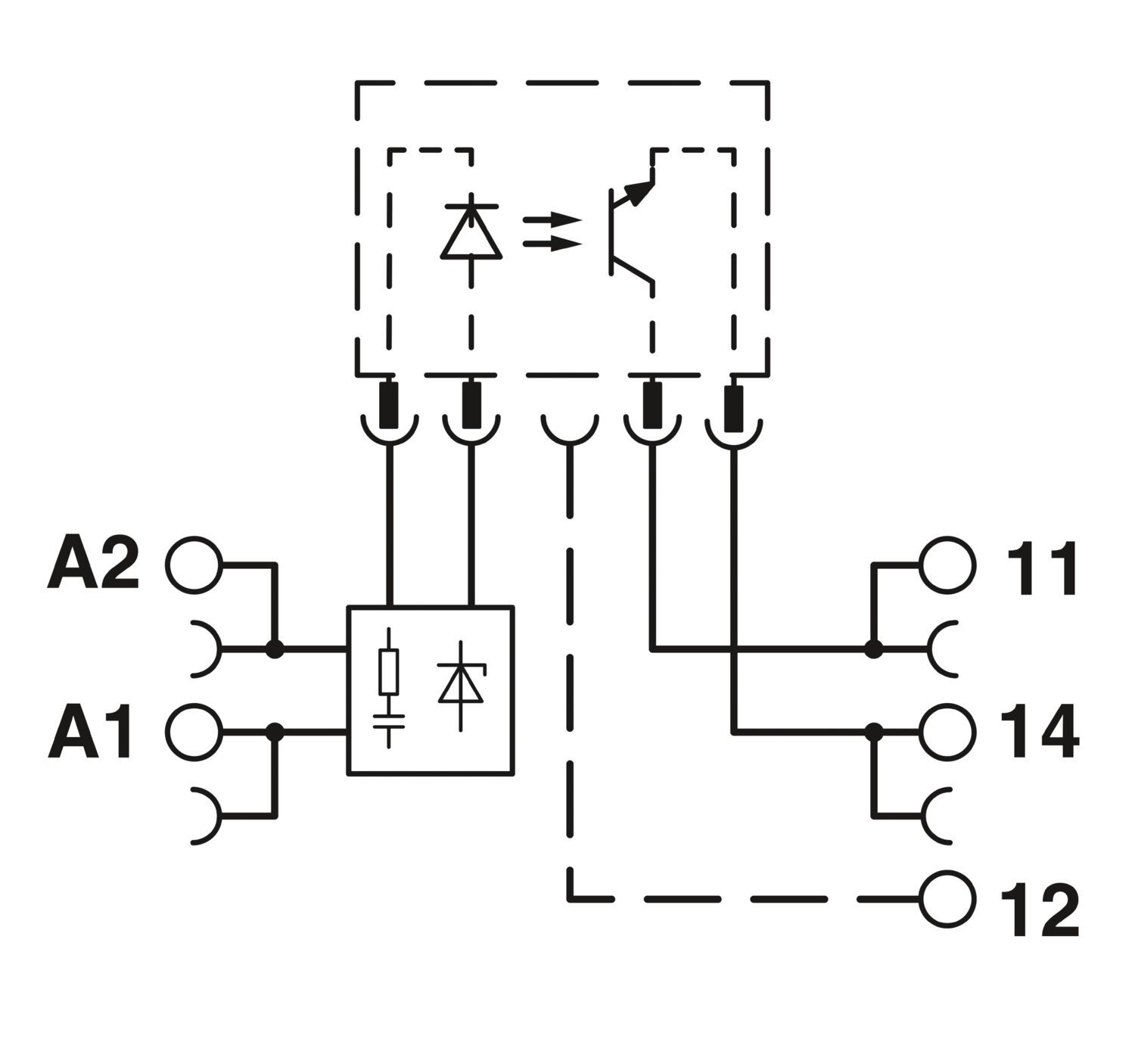
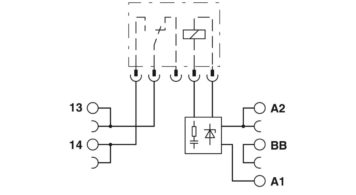
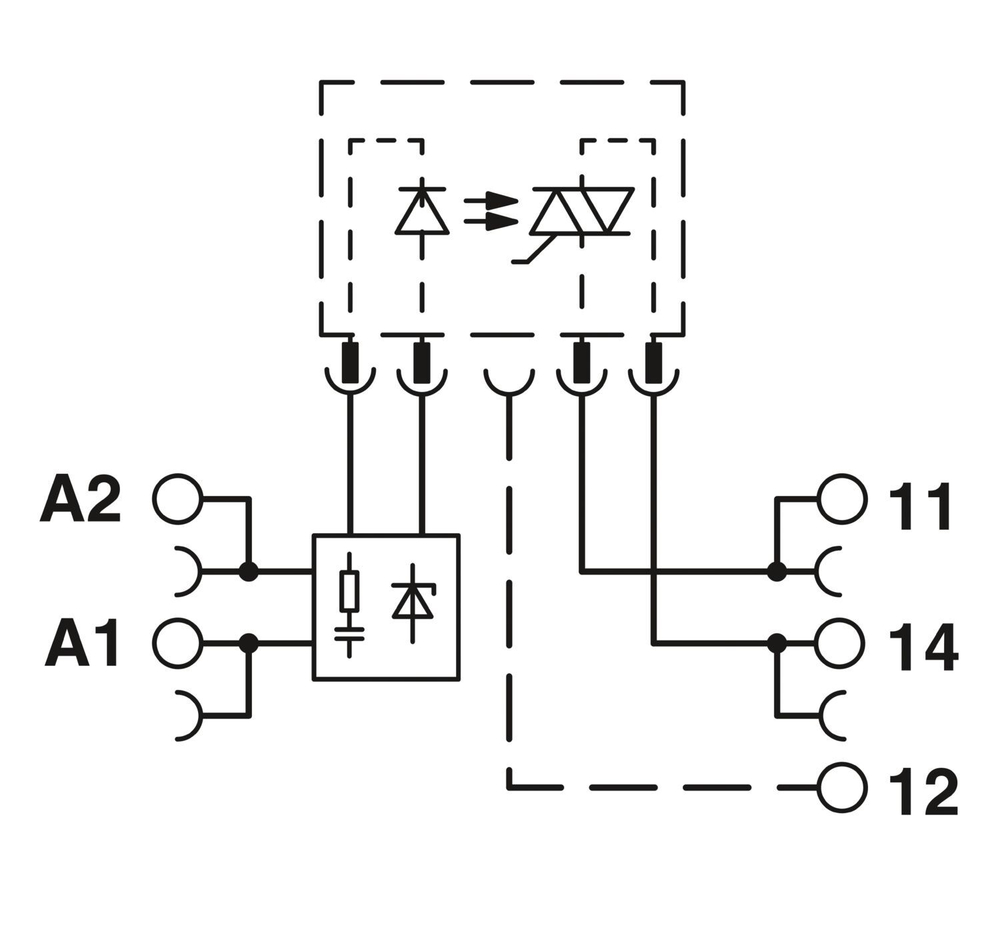
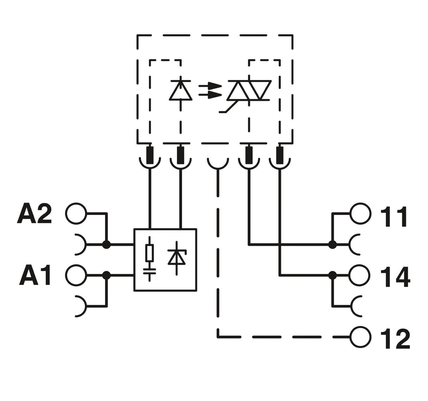
6,2 мм основная клемма PLC для защиты цепей управления от паразитных токов или напряжений, с винтовым зажимом, без реле или полупроводниковых реле, с распределением напряжения питания датчика (BB), 1 замыкающий контакт, входное напряжение 230 В перем. тока
Характеристики
Штрих-код
4017918895693
Номер артикула
2980348
Товар доставляется
да
Предельная нагрузка
4,5 A2c
Предельный ток длительной нагрузки
100 мА,
3 A,
0,75 A
Глубина
94 мм
Преимущества_
Высокое возвратное напряжение реле|Устойчивость к воздействию токов помех
Упаковочная единица
10
Минимальное количество, предусмотренное условиями заказа
1
Вес/шт. (с упаковкой)
30,843 g
Вес/шт. (без упаковки)
30,04 g
Цвет
серый (RAL 7042)
Склад-1
10
Склад-2
20
Валюта
RUR
Самовывоз
нет
Поддерживается на складе
нет
Дата обновления
2025-10-15T13:20:12.793
Ссылка на сайт производителя
https://www.phoenixcontact.com/ru-pc/produkty/bazovyi-modul-plc-bsc-230uc-1-sen-so46-2980348
Тип изделия
Релейный блок
Изоляционные характеристики
Изоляционные характеристики
Степень загрязнения
3
Тип подключения
Винтовые зажимы
Резьба винтов
M3
Момент затяжки
0,45 Нм ... 0,55 Нм (В целом эти клеммы должны быть при соединении проводов зафиксированы (например удерживаться рукой или с помощью упоров для корпуса))
Длина снятия изоляции
8 мм
Сечение жесткого провода
0,14 мм² ... 2,5 мм²
Сечение проводника AWG
26 ... 14
Сечение гибкого провода
0,14 мм² ... 2,5 мм²
Ширина
6,2 мм
Высота
80 мм
Условия окружающей среды
Условия окружающей среды
Температура окружающей среды (при эксплуатации)
-40 °C ... 55 °C
Температура окружающей среды (хранение/транспорт)
-40 °C ... 85 °C
Тип монтажа
Установка на монтажную рейку
Ценовая группа
DK622M
Номер таможенного тарифа
85366990
Страна происхождения
DE
downloads
https://www.phoenixcontact.com/product/product/Mjk4MDM0OA/downloads/10391165?_realm=pc&_locale=ru-PC&licenseTermsAccepted=false|https://www.phoenixcontact.com/product/product/Mjk4MDM0OA/downloads/8035255?_realm=pc&_locale=ru-PC&licenseTermsAccepted=false
count
0
Серия изделий
PLC-INTERFACE
Маркировка
ISA-S71.04. G3 Harsh Group
Применение
Помехоподавляющий фильтр
Режим работы
100 % ED
Стандарты / нормативные документы
IEC/EN 60664-1
Входное номинальное напряжение UN
230 В AC
Типовой входной ток при UN
8,8 мА (50 Гц),
8,8 мА
Время срабатывания, типовое
7 мс,
6 мс
Время возврата, типовое
10 мс,
20 мс
Защитная схема
Защита от переполюсовки,
Мостиковый выпрямитель; Мостиковый выпрямитель,
Цепь RCV
Индикация рабочего напряжения
LED желт.
Максимальное напряжение переключения
48 В DC,
30 В DC,
253 В AC (Если напряжение между одинаковыми клеммами расположенных рядом модулей превышает 250 В (L1, L2, L3), то необходимо установить разделительную пластину PLC-ATP. Затем мостовое соединение потенциалов производится с помощью FBST 8-PLC...или...FBST 500...)
Минимальное напряжение переключения
3 В DC,
24 В AC
Максимальный пусковой ток
15 A (10 мс),
30 A (10 мс)
Класс воспламеняемости согласно UL 94 (Корпуса)
V0 (Корпус)
CE
CE
Сертификат
Соответствие требованиям ЕС,
Соответствие требованиям UKCA,
TAE0000196
UKCA
UKCA
Разрешение на применение в судостроении
Разрешение на применение в судостроении
Испытание вредными газами
Испытание вредными газами
Данные судостроения
Данные судостроения
Temperature
D
Humidity
A
Вибрации
B/C
EMC
B
Enclosure
Required protection according to the Rules shall be provided upon installation on board
Электромагнитная совместимость
Соответствует Директиве по ЭМС
Директива по низкому напряжению
Соответствие Директиве по низкому напряжению
Указания по монтажу
устанавливаются в ряд без промежутков
Монтажное положение
на выбор
Напряжение отпускания, тип.
80 В AC
Индикатор состояния
LED
Порог срабатывания, сигнал "0", относительно UN
≤ 0,4
Ток утечки
< 1 мА
Падение напряжения при макс. рабочем токе
< 200 мВ,
< 1 В DC,
< 1 В AC
Выходная коммутация
2 проводная, изолированная
Диапазон входных напряжений относительно UN
0,8 ... 1,1,
0,78 ... 1,14
Ограничение износа
Ограничение износа
Указание по ЭМС
ЭМС: продукт класса А, см. декларацию производителя в разделе загрузок
Возможная комплектация
Миниатюрное реле, REL-MR-60DC/21AU, REL-MR-60DC/21; миниатюрная оптопара, OPT-60DC/48DC/100, OPT-60DC/24DC/2, OPT-60DC/230AC/1
Оснащение реле
Оснащение реле
Фазовый угол cos phi, мин.
0,5
Оснащение оптопарами
Оснащение оптопарами
Код продажи
08
Все характеристики
Отзывы
Отзывов еще никто не оставлял
