Описание
Характеристики
Отзывы
Описание
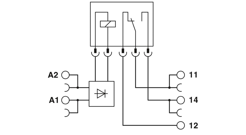
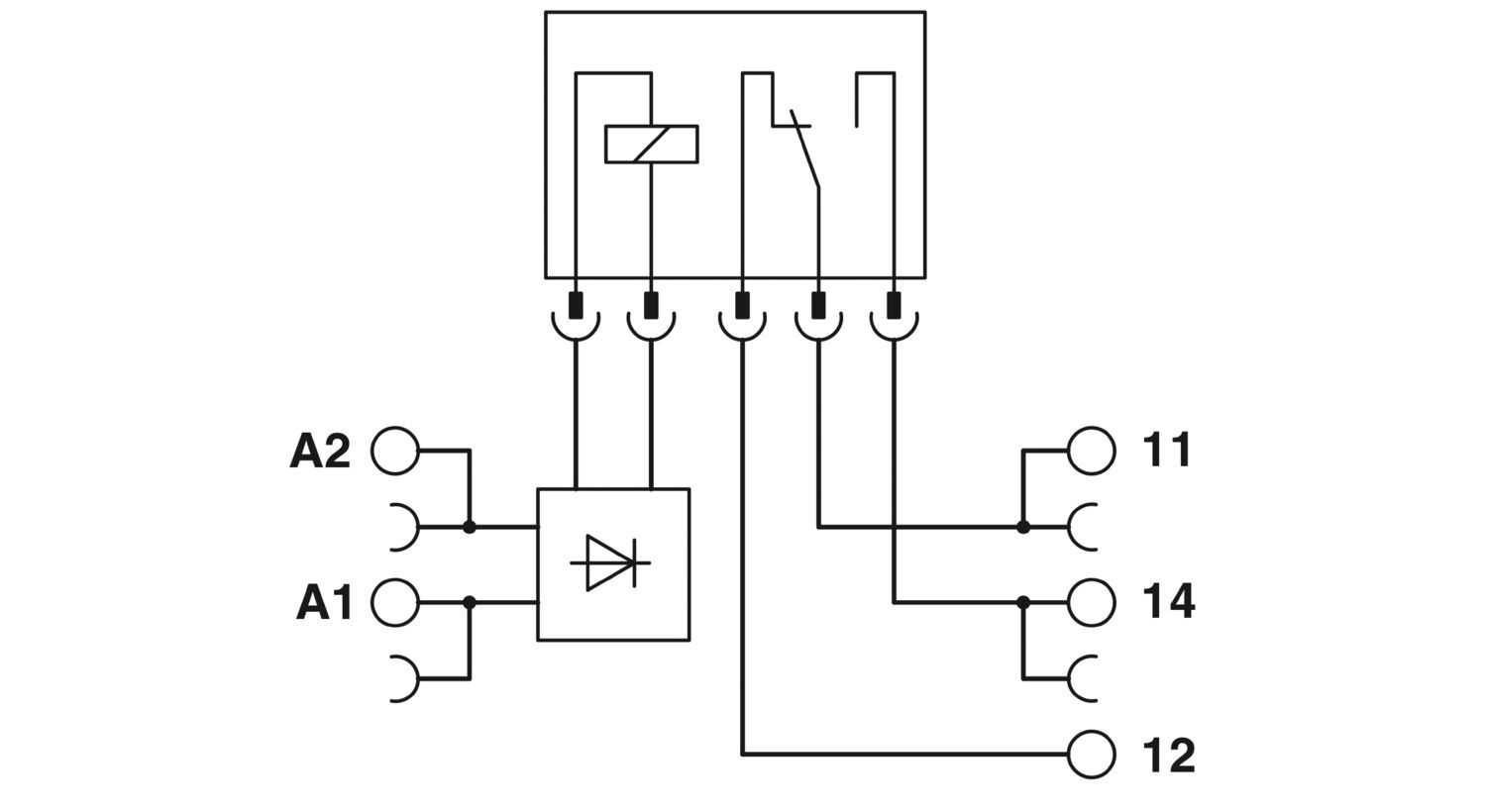
Интерфейсный блок PLC, состоит из базового клеммного модуля PLC-BSC.../21 с винтовыми зажимами и вставным миниатюрным реле с силовыми контактами, устанавливается на монтажную рейку NS 35/7.5, 1 переключающий контакт, входное напряжение 48 В DC
Характеристики
Штрих-код
4017918161972
Номер артикула
2966113
Товар доставляется
да
Предельный ток длительной нагрузки
6 A
Коммутационная способность
2 A (при 24 В, DC13)
Глубина
94 мм
Преимущества_
Узкая конструкция|Эффективное подсоединение к системной кабельной разводке с помощью адаптера V8|Надежная развязка между стороной обмотки и контактной стороной|Герметичные реле по RT-III|Встроенная входная схема и схема подавления помех|Функциональные вставные перемычки
Упаковочная единица
10
Минимальное количество, предусмотренное условиями заказа
1
Вес/шт. (с упаковкой)
39,66 g
Вес/шт. (без упаковки)
33,89 g
Цвет
серый (RAL 7042)
Склад-1
10
Склад-2
20
Валюта
RUR
Самовывоз
нет
Поддерживается на складе
нет
Дата обновления
2025-10-15T13:20:12.793
Ссылка на сайт производителя
https://www.phoenixcontact.com/ru-pc/produkty/releinyi-modul-plc-rsc-48dc-21-2966113
Тип изделия
Релейный модуль
Категория перенапряжения
III
Степень загрязнения
3
Макс. мощность потерь при номинальных условиях
0,44 Вт
Тип подключения
Винтовые зажимы
Резьба винтов
M3
Момент затяжки
0,6 Нм ... 0,8 Нм
Длина снятия изоляции
8 мм
Сечение жесткого провода
0,14 мм² ... 2,5 мм²
Сечение проводника AWG
26 ... 14
Сечение гибкого провода
0,14 мм² ... 2,5 мм²
Ширина
6,2 мм
Высота
80 мм
Условия окружающей среды
Условия окружающей среды
Температура окружающей среды (при эксплуатации)
-40 °C ... 60 °C
Температура окружающей среды (хранение/транспорт)
-40 °C ... 85 °C
Тип монтажа
Установка на монтажную рейку
Ценовая группа
DK6226
Номер таможенного тарифа
85364190
Страна происхождения
DE
downloads
https://www.phoenixcontact.com/product/product/Mjk2NjExMw/downloads/7969573?_realm=pc&_locale=ru-PC&licenseTermsAccepted=false|https://www.phoenixcontact.com/product/product/Mjk2NjExMw/downloads/8035107?_realm=pc&_locale=ru-PC&licenseTermsAccepted=false
count
0
Серия изделий
PLC-INTERFACE
Маркировка
ISA-S71.04. G3 Harsh Group
Расчетное напряжение изоляции
250 В
Применение
Универсальный
Режим работы
100 % ED
Долговечность механическая
2x 107 коммутационных циклов
Состояние обслуживания данных
Состояние обслуживания данных
Дата последней ревизии данных
12.09.2025
Испытательное напряжение (Обмотка/контакт)
4 кВ AC (50 Гц, 1 мин., обмотка/контакт)
Стандарты / нормативные документы
МЭК 60947-5-1
Активная часть
Активная часть
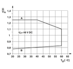
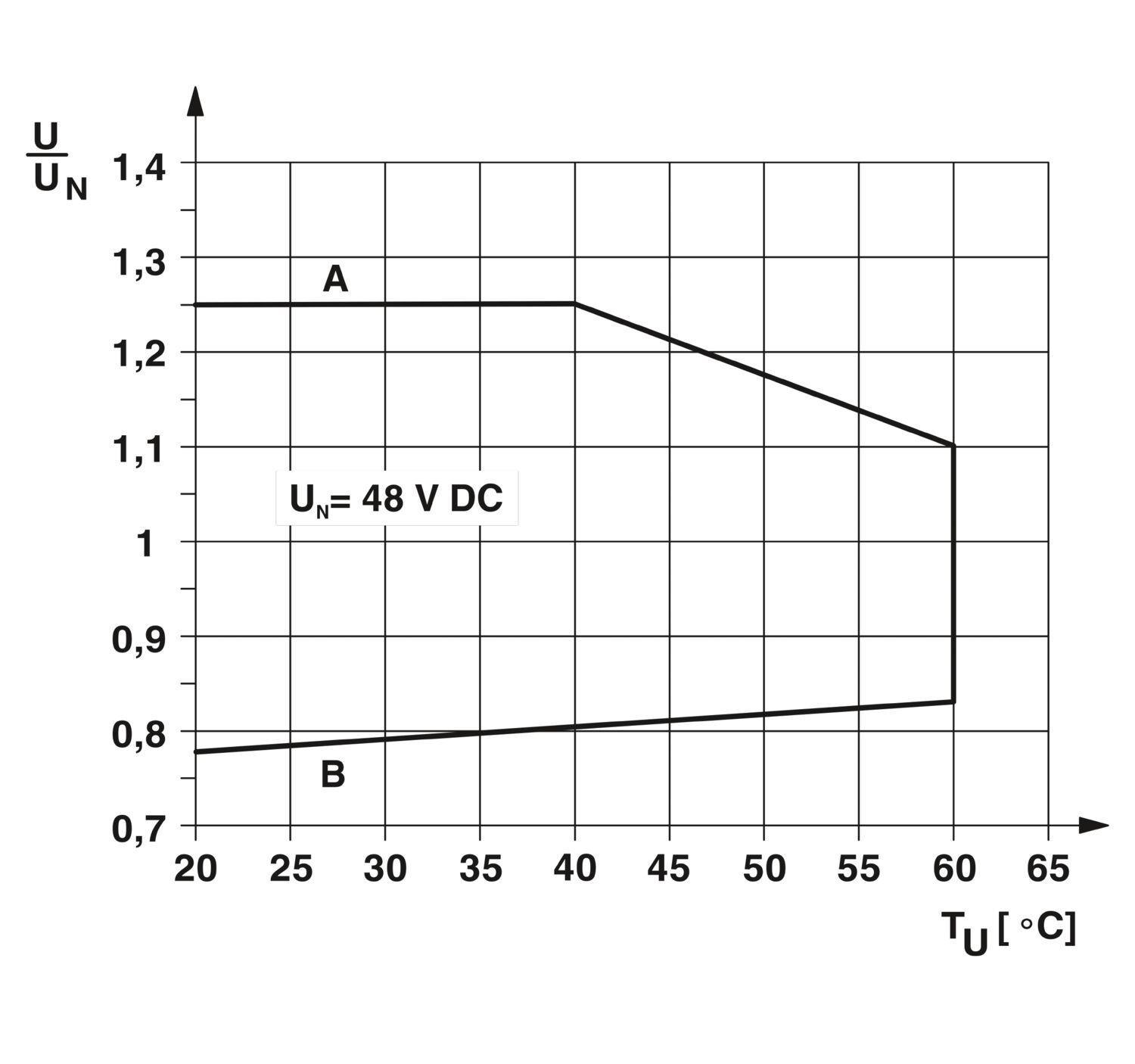
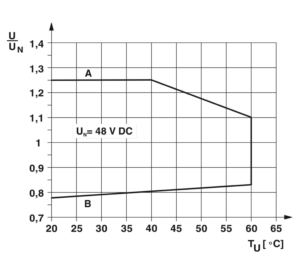
Входное номинальное напряжение UN
48 В DC
Диапазон входных напряжений
37,4 В DC ... 60 В DC (20 °C)
Номинальное напряжение (вставное электромеханическое реле)
24 В DC
Логика работы привода
с одним устойчивым положением
Привод (полярность)
поляризованный
Типовой входной ток при UN
9,2 мА
Время срабатывания, типовое
5 мс
Время возврата, типовое
8 мс
Защитная схема
Защита от переполюсовки; Диод защиты от переполюсовки
Индикация рабочего напряжения
да
Коммутация
Коммутация
Исполнение контакта
1 переключающий контакт
Тип коммутационного контакта
Одинарный контакт
Материал контакта
AgSnO
Максимальное напряжение переключения
250 В AC/DC (Если напряжение между одинаковыми клеммами расположенных рядом модулей превышает 250 В (L1, L2, L3), то необходимо установить разделительную пластину PLC-ATP. Затем мостовое соединение потенциалов производится с помощью FBST 8-PLC...или...FBST 500...)
Минимальное напряжение переключения
5 В (100 мА)
Максимальный пусковой ток
10 A (4 с)
Минимальный коммутационный ток
10 мА (12 B)
Мощность отключения (активная нагрузка), максимальная
140 Вт (при 24 В DC)
Класс воспламеняемости согласно UL 94 (Корпуса)
V0 (Корпус)
Степень защиты (Установочный блок реле)
IP20 (Установочный блок реле)
CE
CE
Сертификат
Соответствие требованиям ЕС,
Соответствие требованиям UKCA,
TAE0000196
UKCA
UKCA
Разрешение на применение в судостроении
Разрешение на применение в судостроении
Испытание вредными газами
Испытание вредными газами
Данные судостроения
Данные судостроения
Temperature
D
Humidity
A
Вибрации
B/C
EMC
B
Enclosure
Required protection according to the Rules shall be provided upon installation on board
Электромагнитная совместимость
Соответствует Директиве по ЭМС
Директива по низкому напряжению
Соответствие Директиве по низкому напряжению
Указания по монтажу
устанавливаются в ряд без промежутков
Монтажное положение
на выбор
Изоляционные характеристики: Катушка/контакт
Изоляционные характеристики: Катушка/контакт
Расчетная стойкость к импульсному напряжению
6 кВ
Ток короткого замыкания
200 A (условный ток короткого замыкания)
Выходные предохранители
4 A gL/gG NEOZED
Код продажи
08
Все характеристики
Отзывы
Отзывов еще никто не оставлял
