Описание
Характеристики
Отзывы
Описание
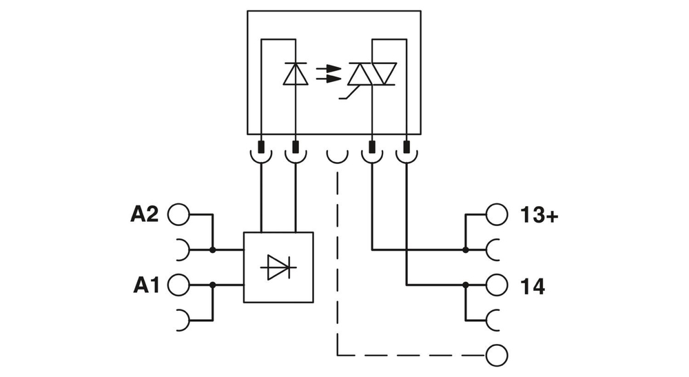
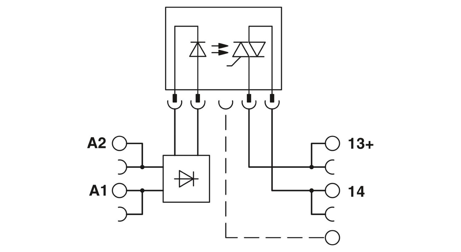
PLC-INTERFACE, состоит из основной клеммы PLC-BPT.../21 с зажимом рush-in и вставным миниатюрным полупроводниковым реле, для монтажной рейки NS 35/7,5, 1 замыкающий контакт, вход: 120 В перем. тока/110 В DC, выход: 24-253 В перем. тока/ 0,75 А
Характеристики
Штрих-код
4046356508834
Номер артикула
2900372
Товар доставляется
да
Предельная нагрузка
4,5 A2c
Предельный ток длительной нагрузки
750 мА (См. график завис. пар.)
Глубина
94 мм
Преимущества_
Узкая конструкция|Эффективное подсоединение к системной кабельной разводке с помощью адаптера V8|Полупроводниковые герметичные реле RT-III|Функциональные вставные перемычки|Высокая коммутационная способность|Нулевой выключатель для выходов переменного тока|Встроенная схема коммутации входов
Упаковочная единица
10
Минимальное количество, предусмотренное условиями заказа
1
Вес/шт. (с упаковкой)
32,76 g
Вес/шт. (без упаковки)
31,27 g
Цвет
серый (RAL 7042)
Склад-1
10
Склад-2
20
Валюта
RUR
Самовывоз
нет
Поддерживается на складе
нет
Дата обновления
2025-10-15T13:20:12.793
Ссылка на сайт производителя
https://www.phoenixcontact.com/ru-pc/produkty/modul-poluprovodnikovogo-rele-plc-opt-120uc-230ac-1-2900372
Тип изделия
Модуль полупроводникового реле
Категория перенапряжения
III
Степень загрязнения
2
Макс. мощность потерь при номинальных условиях
0,48 Вт
Тип подключения
Зажимы Push-in
Длина снятия изоляции
10 мм
Сечение жесткого провода
0,14 мм² ... 2,5 мм²
Сечение проводника AWG
26 ... 14
Сечение гибкого провода
0,14 мм² ... 2,5 мм²
Ширина
6,2 мм
Высота
80 мм
Условия окружающей среды
Условия окружающей среды
Температура окружающей среды (при эксплуатации)
-25 °C ... 60 °C
Температура окружающей среды (хранение/транспорт)
-25 °C ... 70 °C
Тип монтажа
Установка на монтажную рейку
Ценовая группа
DK62A4
Номер таможенного тарифа
85364900
Страна происхождения
DE
downloads
https://www.phoenixcontact.com/product/product/MjkwMDM3Mg/downloads/8030996?_realm=pc&_locale=ru-PC&licenseTermsAccepted=false|https://www.phoenixcontact.com/product/product/MjkwMDM3Mg/downloads/8031688?_realm=pc&_locale=ru-PC&licenseTermsAccepted=false
count
0
Серия изделий
PLC-INTERFACE
Маркировка
ISA-S71.04. G3 Harsh Group
Применение
Универсальный
Режим работы
100 % ED
Изоляционные характеристики: Стандарты / нормативные документы
Изоляционные характеристики: Стандарты / нормативные документы
Изоляция
Основная изоляция
Состояние обслуживания данных
Состояние обслуживания данных
Дата последней ревизии данных
15.09.2025
Стандарты / нормативные документы
Стандарты / нормативные документы,
МЭК 60947-5-1
Входное номинальное напряжение UN
120 В AC
Диапазон входных напряжений
108 В AC ... 132 В AC
Типовой входной ток при UN
4 мА
Защитная схема
Мостиковый выпрямитель; Мостиковый выпрямитель,
Цепь RCV
Индикация рабочего напряжения
LED желт.
Исполнение контакта
1 замыкающий контакт
Максимальный пусковой ток
30 A (10 мс)
Класс воспламеняемости согласно UL 94 (Корпуса)
V0 (Корпус)
CE
CE
Сертификат
Соответствие требованиям ЕС,
Соответствие требованиям UKCA,
TAE0000196
UKCA
UKCA
Разрешение на применение в судостроении
Разрешение на применение в судостроении
Испытание вредными газами
Испытание вредными газами
Данные судостроения
Данные судостроения
Temperature
D
Humidity
A
Вибрации
B/C
EMC
B
Enclosure
Required protection according to the Rules shall be provided upon installation on board
Электромагнитная совместимость
Соответствует Директиве по ЭМС
Директива по низкому напряжению
Соответствие Директиве по низкому напряжению
Указания по монтажу
устанавливаются в ряд без промежутков
Монтажное положение
на выбор
Испытательное напряжение (Вход/выход)
2,5 кВ (50 Гц, 1 мин., вход/выход)
Номинальное напряжение (вставное полупроводниковое реле)
60 В DC
Порог срабатывания, сигнал "0", относительно UN
≤ 0,25
Порог срабатывания, сигнал "1", относительно UN
≥ 0,8
Время включения, типовое
10 мс (Для UN)
Время отключения, типовое
10 мс (Для UN)
Частота передачи
3 Гц
Вид цифрового выхода
электронный
Диапазон выходного напряжения
24 В AC ... 253 В AC
Ток нагрузки, минимальный
10 мА
Ток утечки
< 1 мА (в отключенном состоянии)
Падение напряжения при макс. рабочем токе
< 1 В
Выходная коммутация
2 проводная, изолированная
Диапазон входных напряжений относительно UN
0,9 ... 1,1
Фазовый угол cos phi, мин.
0,5
Все характеристики
Отзывы
Отзывов еще никто не оставлял
