Описание
Характеристики
Отзывы
Описание
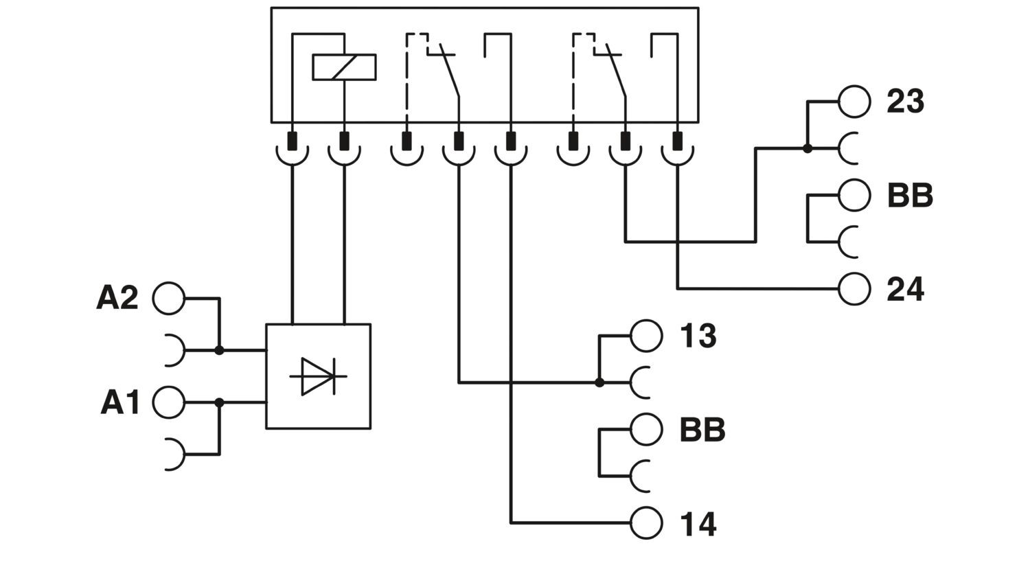
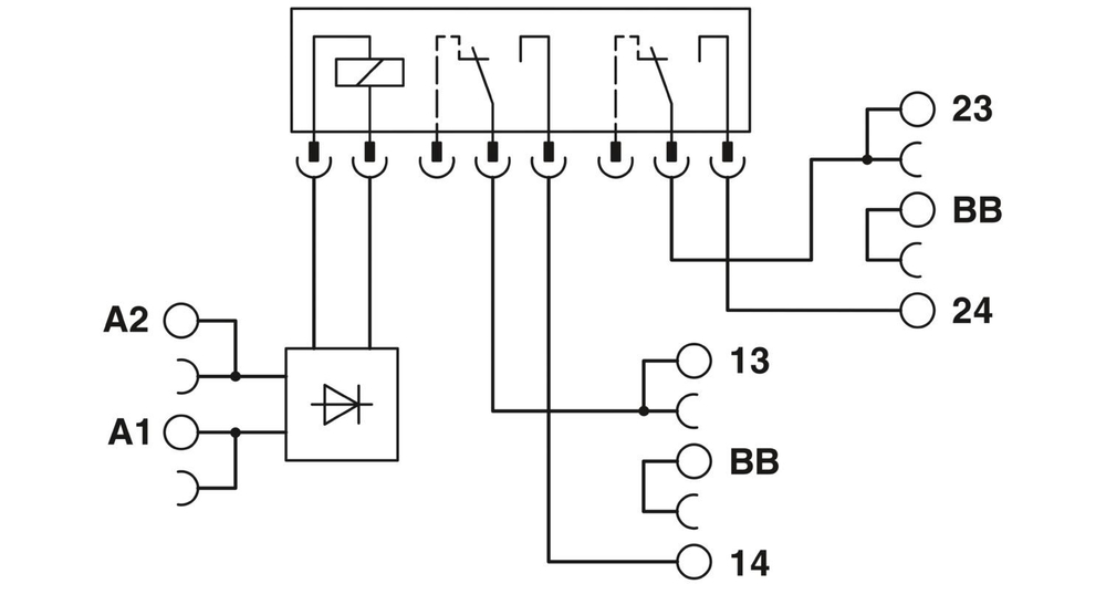
Релейный модуль Phoenix Contact PLC-RPT-24DC/1-1/ACT — высоконадёжное решение для коммутации в промышленных системах, созданное на базе серии PLC-INTERFACE. Модуль сочетает компактные размеры 14 × 80 × 94 мм, усиленную изоляцию и удобный монтаж на DIN-рейку NS 35/7,5. Он состоит из базовой клеммы PLC-BPT…/ACT с зажимом Push-in и миниатюрного вставного реле с двумя замыкающими контактами (1–1).
Устройство рассчитано на входное номинальное напряжение 24 В DC (рабочий диапазон 20,2…33,6 В), имеет типовой входной ток 18 мА и низкую мощность потерь 0,43 Вт. Время срабатывания составляет 8 мс, возврата — 10 мс, что обеспечивает быстродействие и стабильную работу в системах управления. Механическая долговечность реле — 3×10⁷ циклов, а максимальный пусковой ток достигает 25 A (20 мс).
Контакты выполнены из AgNi, выдерживают переключение до 250 В AC/DC, а при активной нагрузке мощности до 144 Вт (24 В DC). Минимальный коммутационный ток — 10 мА, минимальное напряжение — 5 В, что позволяет качественно работать даже с малосигнальными цепями. Степень защиты корпуса — IP20, допускается установка при окружающей температуре от –40 до +70 °C, хранение — до 85 °C.
Модуль соответствует требованиям МЭК 61810-1, МЭК 60947-5-1, директив по низкому напряжению и электромагнитной совместимости. Изоляционные характеристики включают безопасную развязку с импульсным напряжением до 4 кВ, испытательное напряжение между обмоткой и контактом — 4 кВ, 50 Гц, 1 мин.
Удобные зажимы Push-in дают быстрое подключение проводов сечением 0,14…2,5 мм², а LED-индикация облегчает диагностику. Модуль допускает любой монтажный угол, устанавливается вплотную без зазоров и поддерживает большое количество совместимых аксессуаров и адаптеров Phoenix Contact.
Если вам нужен долговечный релейный модуль с высокой коммутационной способностью, повышенной изоляцией и устойчивостью к экстремальным условиям — PLC-RPT-24DC/1-1/ACT станет оптимальным элементом системы автоматизации.
Характеристики
Штрих-код
4063151207779
статус на складе в Германии
На складе
Размеры изделия
14 мм/80 мм/94 мм
Товар доставляется
true
Предельный ток длительной нагрузки
6 A
Коммутационная способность
2 A (24 B (DC13))
Упаковочная единица
10
Минимальное количество, предусмотренное условиями заказа
1
Вес/шт. (с упаковкой)
70,7 g
Вес/шт. (без упаковки)
56,8 g
Цвет
серый (RAL 7042)
Валюта
RUR
Самовывоз
false
Поддерживается на складе
Да
Дата обновления
2025-11-12T09:23:05.68
Ссылка на сайт производителя
https://www.phoenixcontact.com/ru-pc/produkty/releinyi-modul-plc-rpt-24dc-1-1-act-1176847
Тип изделия
Релейный модуль
Категория перенапряжения
III
Степень загрязнения
2
Расчетное импульсное напряжение
4 кВ (Безопасная развязка, усиленная изоляция и 6 кВ между входной электрической цепью и цепями выходного сигнала)
Макс. мощность потерь при номинальных условиях
0,43 Вт
Тип подключения
Зажимы Push-in
Длина снятия изоляции
10 мм
Сечение жесткого провода
0,14 мм² ... 2,5 мм²
Сечение проводника AWG
26 ... 14
Сечение гибкого провода
0,2 мм² ... 2,5 мм²
Высота
≤ 2000 м
Условия окружающей среды
Условия окружающей среды
Температура окружающей среды (при эксплуатации)
-40 °C ... 70 °C
Температура окружающей среды (хранение/транспорт)
-40 °C ... 85 °C
Тип монтажа
Установка на монтажную рейку
Номер артикула
1176847
Ценовая группа
DK62B8
Номер таможенного тарифа
85364190
Страна происхождения
DE
downloads
https://www.phoenixcontact.com/product/product/MTE3Njg0Nw/downloads/8057997?_realm=pc&_locale=ru-PC&licenseTermsAccepted=false|https://www.phoenixcontact.com/product/product/MTE3Njg0Nw/downloads/8058040?_realm=pc&_locale=ru-PC&licenseTermsAccepted=false
Серия изделий
PLC-INTERFACE
Расчетное напряжение изоляции
250 В AC
Применение
Функция вывода
Режим работы
100 % ED
Долговечность механическая
3x 10^7 коммутационных циклов
Изоляция
Основная изоляция
Состояние обслуживания данных
Состояние обслуживания данных
Дата последней ревизии данных
12.09.2025
Испытательное напряжение (Обмотка/контакт)
4 кВэфф (50 Гц, 1 мин)
Стандарты / нормативные документы
Стандарты / нормативные документы,
МЭК 60947-5-1,
МЭК 61810-1
Активная часть
Активная часть
Входное номинальное напряжение UN
24 В DC
Диапазон входных напряжений
20,2 В DC ... 33,6 В DC (20 °C)
Номинальное напряжение (вставное электромеханическое реле)
24 В DC
Логика работы привода
с одним устойчивым положением
Привод (полярность)
поляризованный
Типовой входной ток при UN
18 мА
Время срабатывания, типовое
8 мс
Время возврата, типовое
10 мс
Защитная схема
Защита от переполюсовки; Диод защиты от переполюсовки
Индикация рабочего напряжения
LED желт.
Коммутация
Коммутация
Исполнение контакта
2 замыкающих контакта
Тип коммутационного контакта
Одинарный контакт
Материал контакта
AgNi
Максимальное напряжение переключения
250 В AC/DC (Если напряжение между одинаковыми клеммами расположенных рядом модулей превышает 250 В (L1, L2, L3), то необходимо установить разделительную пластину PLC-ATP. Затем мостовое соединение потенциалов производится с помощью FBST 8-PLC...или...FBST 500...)
Минимальное напряжение переключения
5 В (10 мА)
Максимальный пусковой ток
25 A (20 мс)
Минимальный коммутационный ток
10 мА (5 B)
Мощность отключения (активная нагрузка), максимальная
144 Вт (24 В DC)
Коммутационная способность минимальная
50 мВт
Класс воспламеняемости согласно UL 94 (Корпуса)
V0 (Корпус)
Степень защиты (Реле)
RT III
Степень защиты (Установочный блок реле)
IP20
Степень защиты (Место установки)
≤ IP54
Электромагнитная совместимость
Соответствует Директиве по ЭМС
Директива по низкому напряжению
Соответствие Директиве по низкому напряжению
Указания по монтажу
устанавливаются в ряд без промежутков
Монтажное положение
на выбор
Изоляционные характеристики: Воздушный путь и путь утечки между цепями
Изоляционные характеристики: Воздушный путь и путь утечки между цепями
Воздушный путь и путь утечки между цепями
Воздушный путь и путь утечки между цепями
Мощность потерь на входе при UN
0,43 Вт
Испытательное напряжение (открытый контакт)
1 кВэфф (50 Гц, 1 мин)
Испытательное напряжение (Замыкающий контакт/замыкающий контакт)
2,5 кВэфф (50 Гц, 1 мин)
Производитель
Phoenix Contact
compatible_products0
ссылка на артикул2966786, ссылка на артикул2966692, ссылка на артикул2966838, ссылка на артикул2966236, ссылка на артикул2966812, ссылка на артикул2966825, ссылка на артикул2967688, ссылка на артикул2967691, ссылка на артикул2299660, ссылка на артикул2304306, ссылка на артикул1053001, ссылка на артикул0824941, ссылка на артикул1053014, ссылка на артикул1053027, ссылка на артикул1053412, ссылка на артикул1053438, ссылка на артикул0818069, ссылка на артикул0824605, ссылка на артикул0829142, ссылка на артикул0829623, ссылка на артикул0812120, ссылка на артикул0824942, ссылка на артикул0812146, ссылка на артикул0819194, ссылка на артикул0824613, ссылка на артикул0829144, ссылка на артикул0829630, ссылка на артикул0801733, ссылка на артикул0801681, ссылка на артикул1204119, ссылка на артикул1204122, ссылка на артикул0801704, ссылка на артикул1206421, ссылка на артикул1206434, ссылка на артикул0801762
compatible_products1
ссылка на артикул1206560, ссылка на артикул1201730, ссылка на артикул1201714, ссылка на артикул0806602, ссылка на артикул1204135, ссылка на артикул1201756, ссылка на артикул1206599, ссылка на артикул1206586, ссылка на артикул1201895, ссылка на артикул1206573, ссылка на артикул1201798, ссылка на артикул2966841, ссылка на артикул2966508, ссылка на артикул1204517, ссылка на артикул2961192, ссылка на артикул1104789, ссылка на артикул2304306, ссылка на артикул2299660
accessory_for
/ru-pc/produkty/adapternyi-modul-plc-v8l-d15s-out-1104789,/ru-pc/produkty/podsoedinenie-k-sisteme-plc-v8l-flk14-out-m-2304306,/ru-pc/produkty/podsoedinenie-k-sisteme-plc-v8l-flk14-out-2299660
also_bought
https://www.phoenixcontact.com/ru-pc/produkty/zapresausaa-tablicka-pml-p100-d100r-cus-1014228,https://www.phoenixcontact.com/ru-pc/produkty/prinadleznosti-dla-optovolokonnogo-kabela-foc-tool-ferrulecleaner-125-1407032,https://www.phoenixcontact.com/ru-pc/produkty/releinyi-modul-emg-22-rel-ksr-230-21-so46-2940760,https://www.phoenixcontact.com/ru-pc/produkty/klemmy-s-nozevymi-razmykatelami-uk-5-mtk-p-p-og-3029538,https://www.phoenixcontact.com/ru-pc/produkty/koncevaa-kryska-d-sttb-25-4p-3061538,https://www.phoenixcontact.com/ru-pc/produkty/kruglyi-kabelnyi-nakonecnik-c-rcei-25-m35-3241206
Все характеристики
Отзывы
Отзывов еще никто не оставлял
