Описание
Характеристики
Отзывы
Описание
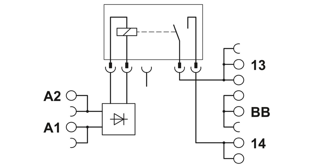
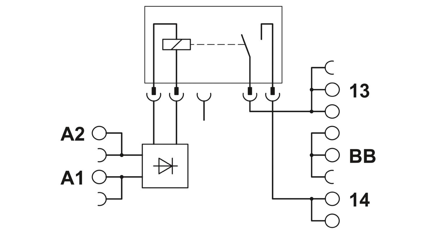
PLC-INTERFACE для высоких токов включения, состоит из основной клеммы PLC-BPT.../1 IC/ACT с разъемом рush-in и вставным мини-реле, для монтажной рейки NS 35/7,5, макс. ток включения до 130 А, 1 замыкающий контакт, входное напряжение 12 В DC
Характеристики
Штрих-код
4055626796314
Номер артикула
1078801
Товар доставляется
да
Предельный ток длительной нагрузки
6 A
Коммутационная способность
2 A (при 24 В, DC13)
Глубина
94 мм
Преимущества_
Прямое подключение обратного нагрузочного провода с помощью различных вариантов исполнительных устройств|Надежная развязка между стороной обмотки и контактной стороной|Макс. пусковой ток 130 А|Функциональные вставные перемычки
Упаковочная единица
10
Минимальное количество, предусмотренное условиями заказа
1
Вес/шт. (с упаковкой)
70,69 g
Вес/шт. (без упаковки)
44,1 g
Цвет
серый (RAL 7042)
Склад-1
10
Склад-2
20
Валюта
RUR
Самовывоз
нет
Поддерживается на складе
нет
Дата обновления
2025-10-15T13:20:12.793
Ссылка на сайт производителя
https://www.phoenixcontact.com/ru-pc/produkty/releinyi-modul-plc-rpt-12dc-1ic-act-1078801
Тип изделия
Релейный модуль
Категория перенапряжения
III
Степень загрязнения
3
Расчетное импульсное напряжение
6 кВ
Макс. мощность потерь при номинальных условиях
0,4 Вт
Тип подключения
Зажимы Push-in
Длина снятия изоляции
10 мм
Сечение жесткого провода
0,14 мм² ... 2,5 мм²
Сечение проводника AWG
26 ... 14
Сечение гибкого провода
0,14 мм² ... 2,5 мм²
Ширина
14 мм
Высота
80 мм,
≤ 2000 м
Условия окружающей среды
Условия окружающей среды
Температура окружающей среды (при эксплуатации)
-40 °C ... 60 °C
Температура окружающей среды (хранение/транспорт)
-40 °C ... 85 °C
Тип монтажа
Установка на монтажную рейку
Ценовая группа
DK62B6
Номер таможенного тарифа
85364190
Страна происхождения
DE
downloads
https://www.phoenixcontact.com/product/product/MTA3ODgwMQ/downloads/9287610?_realm=pc&_locale=ru-PC&licenseTermsAccepted=false|https://www.phoenixcontact.com/product/product/MTA3ODgwMQ/downloads/9287615?_realm=pc&_locale=ru-PC&licenseTermsAccepted=false
count
0
Серия изделий
PLC-INTERFACE
Маркировка
ISA-S71.04. G3 Harsh Group
Расчетное напряжение изоляции
250 В AC
Указания по эксплуатации
Если напряжение между одинаковыми клеммами расположенных рядом модулей превышает 250 В (L1, L2, L3), то необходимо установить разделительную пластину PLC-ATP. Затем мостовое соединение потенциалов производится с помощью FBST 8-PLC... или FBST 500...,
Для безопасной изоляции соседних модулей необходимо установить разделительную пластину PLC-ATP,
Защита от касания изделия (при напряжении > 25 В AC/60 В DC) должна быть обеспечена создателем установки. Речь идет о встраиваемом устройстве без защиты от непосредственного прикосновения.
Указание по монтажу
В начале и в конце каждой клеммной колодки PLC установить разделительную пластину PLC-ATP.
Применение
Высокие пусковые токи
Режим работы
100 % ED
Долговечность механическая
3x 107 коммутационных циклов
Изоляционные характеристики: Стандарты / нормативные документы
Изоляционные характеристики: Стандарты / нормативные документы
Изоляция
Безопасное разделение, усиленная изоляция
Состояние обслуживания данных
Состояние обслуживания данных
Дата последней ревизии данных
12.09.2025
Испытательное напряжение (Обмотка/контакт)
4 кВ AC (50 Гц, 1 мин., обмотка/контакт)
Стандарты / нормативные документы
Стандарты / нормативные документы,
МЭК 60947-5-1
Активная часть
Активная часть
Входное номинальное напряжение UN
12 В DC
Диапазон входных напряжений
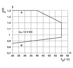
10,32 В DC ... 16,8 В DC (20 °C)
Номинальное напряжение (вставное электромеханическое реле)
12 В DC
Логика работы привода
с одним устойчивым положением
Привод (полярность)
поляризованный
Типовой входной ток при UN
33 мА
Время срабатывания, типовое
8 мс
Время возврата, типовое
10 мс
Защитная схема
Защита от переполюсовки; Диод защиты от переполюсовки
Индикация рабочего напряжения
LED желт.
Коммутация
Коммутация
Исполнение контакта
1 замыкающий контакт
Тип коммутационного контакта
Одинарный контакт
Материал контакта
AgSnO
Максимальное напряжение переключения
250 В AC/DC (Если напряжение между одинаковыми клеммами расположенных рядом модулей превышает 250 В (L1, L2, L3), то необходимо установить разделительную пластину PLC-ATP. Затем мостовое соединение потенциалов производится с помощью FBST 8-PLC...или...FBST 500...)
Минимальное напряжение переключения
12 В (100 мА)
Максимальный пусковой ток
80 A (20 мс)
Минимальный коммутационный ток
100 мА (12 B)
Мощность отключения (активная нагрузка), максимальная
144 Вт (при 24 В DC)
Мощность отключения (активная нагрузка), максимальная, при наличии перемычки
240 Вт (При 24 В DC Значение считается допустимым, если на обе группы контактов 13, на обе группы контактов 14 и на обе группы контактов BB установлены перемычки.)
Коммутационная способность минимальная
1200 мВт
Класс воспламеняемости согласно UL 94 (Корпуса)
V0 (Корпус)
Степень защиты (Реле)
RT II (Реле)
Степень защиты (Установочный блок реле)
IP20 (Установочный блок реле)
Степень защиты (Место установки)
≥ IP54 (Место установки)
CE
CE
Сертификат
Соответствие требованиям ЕС,
Соответствие требованиям UKCA,
TAE0000196
UKCA
UKCA
Разрешение на применение в судостроении
Разрешение на применение в судостроении
Испытание вредными газами
Испытание вредными газами
Данные судостроения
Данные судостроения
Temperature
D
Humidity
A
Вибрации
B/C
EMC
B
Enclosure
Required protection according to the Rules shall be provided upon installation on board
Электромагнитная совместимость
Соответствует Директиве по ЭМС
Директива по низкому напряжению
Соответствие Директиве по низкому напряжению
Указания по монтажу
устанавливаются в ряд без промежутков
Монтажное положение
на выбор
Все характеристики
Отзывы
Отзывов еще никто не оставлял
