Описание
Характеристики
Отзывы
Описание
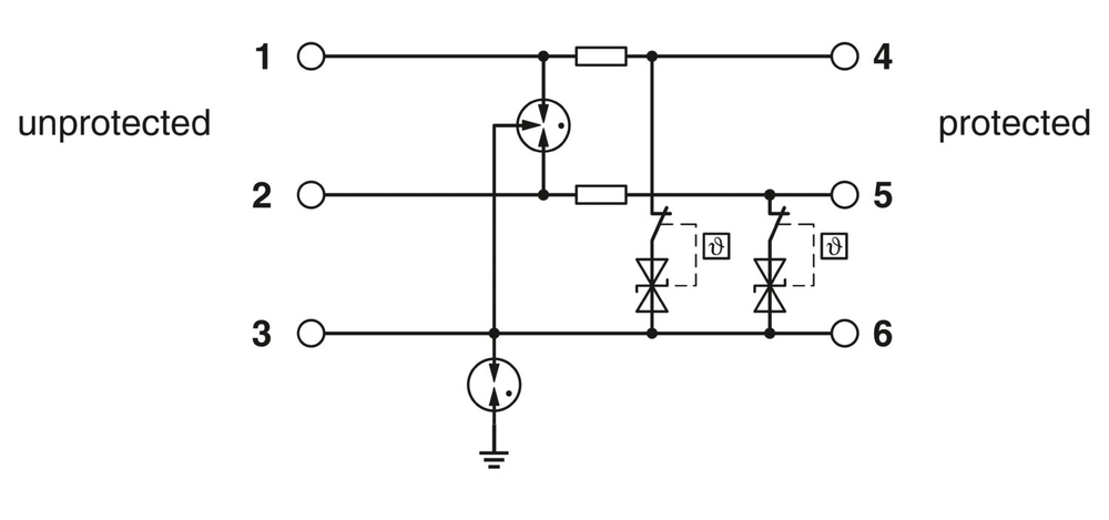
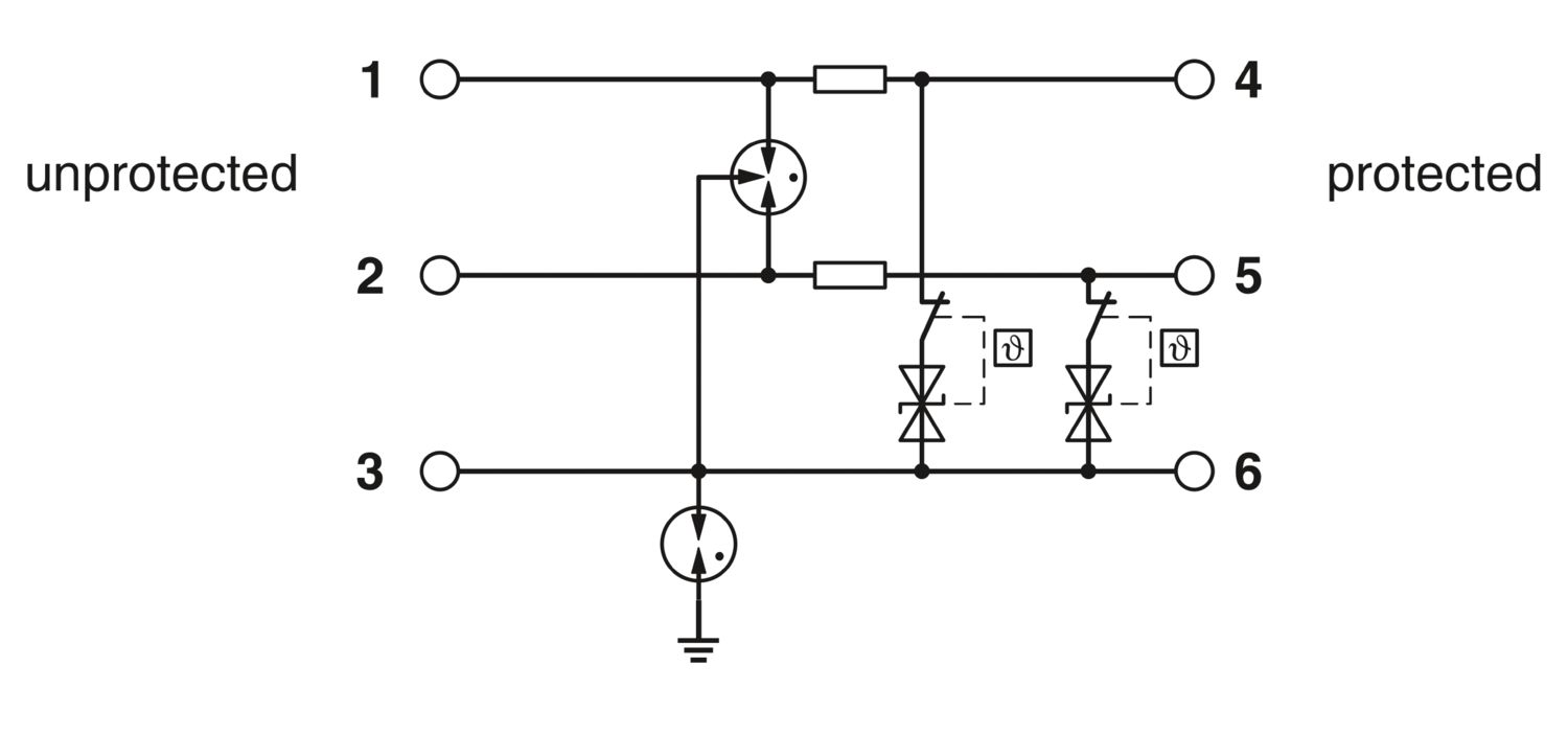
Устройство защиты от перенапряжений (защитный штекер и базовый элемент), со встроенным индикатором состояния для двух сигнальных жил с общим опорным потенциалом, например Digital IN/OUT. Непрямое заземление через газонаполненный разрядник. Может использоваться в ориентированных на безопасность цепях до SIL 3.
Характеристики
Штрих-код
4055626726052
Габариты (ДxШxВ, см):
6.2x105.8x100
Номер артикула
1065319
Номинальное напряжение UN
24 В DC
Упаковочная единица
1
Минимальное количество, предусмотренное условиями заказа
1
Вес/шт. (с упаковкой)
47,1 g
Вес/шт. (без упаковки)
42,27 g
Валюта
RUR
Самовывоз
нет
Дата обновления
2026-01-30T07:19:11.683
Ссылка на сайт производителя
https://www.phoenixcontact.com/ru-pc/produkty/ustroistvo-zasity-ot-perenaprazenii-ttc-6p-2x1-f-24dc-ut-i-1065319
Изоляционные характеристики
Изоляционные характеристики
Категория перенапряжения
III
Степень загрязнения
2
Тип подключения
Винтовые зажимы
Резьба винтов
M3
Момент затяжки
0,5 Нм ... 0,6 Нм
Сечение жесткого провода
0,2 мм² ... 4 мм²
Сечение проводника AWG
24 ... 12
Сечение гибкого провода
0,2 мм² ... 2,5 мм²
Высота
≤ 4000 м (amsl)
Класс воспламеняемости согласно UL 94
V-0
Изоляционный материал
PBT
Механические данные
Механические данные
Открытая боковая стенка
Нет
Условия окружающей среды
Условия окружающей среды
Температура окружающей среды (при эксплуатации)
-40 °C ... 85 °C
Температура окружающей среды (хранение/транспорт)
-40 °C ... 85 °C
Тип монтажа
Монтажная рейка: TH 35 - 7,5 mm
Номер таможенного тарифа
85363010
Страна происхождения
DE
Серия изделий
TERMITRAB complete
Допустимая отн. влажность воздуха (при эксплуатации)
5 % ... 95 %
Указание
2000 + поправка 2001 + A1:2008, измененный + A2:2012,
2001 + A1:2009 + A2:2013
Расчетный ток
600 мА (56 °C)
Степень защиты
IP20
Производитель
Phoenix Contact
Материал корпуса
PBT
Стандарты/нормативные документы
МЭК 61643-21,
EN 61643-21
Ключ изделия
CL2161
Товар поставляется стандартно
true
Поддерживается на складе в Германии
Нет
Конструкция
Модуль для установки на монтажную рейку, состоящий из двух частей, закрепляется на защелках
Макс. длительное рабочее напряжение UC
30 В DC
Эффективный рабочий ток IC при UC
≤ 5 мкA
Преимущества
Экономия пространства и затрат благодаря узкой конструкции всего 6 мм|Постоянный контроль защитных устройств и механический индикатор состояния с опциональной дистанционной сигнализацией|Простота выбора для любых требований в области контрольно-измерительных приборов и автоматики благодаря полному портфолио с индивидуальными характеристиками изделий|Простая проверка и документирование с CHECKMASTER 2 благодаря штекерным защитным модулям|Отсутствие воздействия на сигнал во время обслуживания благодаря вставке и извлечению защитного штекера с нейтральным импедансом
Совместимые товары_1
ссылка на артикул0825027, ссылка на артикул0808710, ссылка на артикул0808736, ссылка на артикул0808765, ссылка на артикул3022276, ссылка на артикул2907810, ссылка на артикул1054762, ссылка на артикул2839295, ссылка на артикул2839512, ссылка на артикул0811228, ссылка на артикул1212602, ссылка на артикул2907843
Класс испытания согл. МЭК
C1
Сообщение, неисправность устройства для защиты от импульсных перенапряжений
cветовой
Mаксимальный отводимый импульсный ток ITotal (8/20) мкс
10 кA
Цвет (Базовый элемент)
серый (RAL 7042)
Цвет (Штекер)
cветло серый (RAL 7035)
Направление действие
Line-Line & Line-Signal Ground/Shield & optional Signal Ground/Shield-Earth Ground
Ток защитного проводника IPE
≤ 1 мкA
Дополнительные технические данные
Дополнительные технические данные
Номинал предохранителя, макс.
630 мА (FF)
Номинальный импульсный ток утечки In (8/20) мкс (фаза-земля)
5 кA
Отводимый импульсный ток Iimp (10/350) мкс (жила-земля)
0,5 кA
Уровень защиты Up (жила-земля)
≤ 750 В (C1 - 1 кВ / 500 A)
Время срабатывания tA (фаза-земля)
≤ 100 нс
Сопротивление на цепь
1,65 Ом ±20 %
Устойчивость к импульсному току (фаза-земля)
C1 - 1 кВ / 500 A
Время сброса импульса (фаза-земля)
≤ 30 мс
EN 61643-21
EN 61643-21
Уровень защиты Up, статический (жила-земля)
≤ 750 В (C1 - 1 кВ / 500 A)
Вносимое затухание aE, асим.
тип. 0,3 дБ (≤ 270 кГц / 150 Ω)
Макс. отводимый импульсный ток I общ. макс. (8/20) мкс
20 кA (1x)
Все характеристики
Отзывы
Отзывов еще никто не оставлял
