Описание
Характеристики
Отзывы
Описание
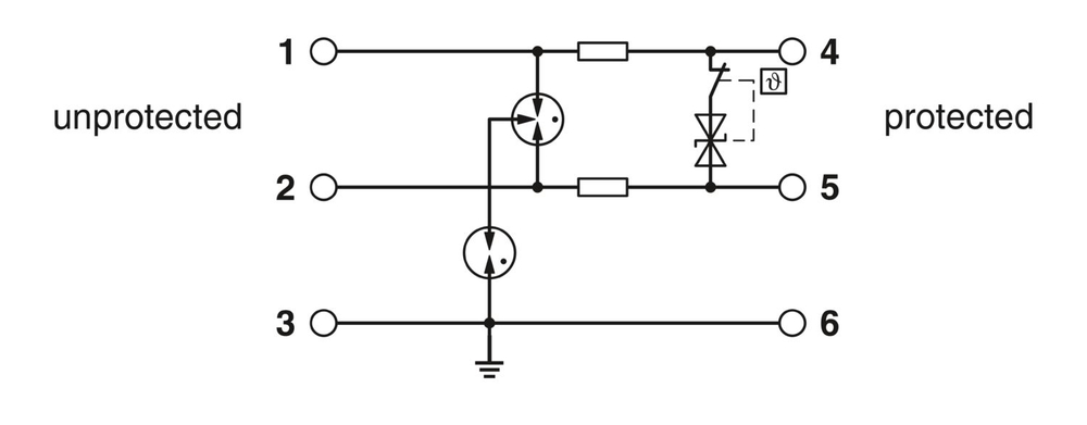
Защита от перенапряжений (защитный штекер и базовый элемент), со встроенным индикатором состояния для 2-проводной искробезопасной сигнальной цепи без потенциала земли, например, токовых контуров 0(4)…20 мА, с поддержкой HART. Может использоваться в ориентированных на безопасность цепях до SIL 3.
Характеристики
Штрих-код
4055626725390
Габариты (ДxШxВ, см):
6.2x105.8x100
Номер артикула
1065312
статус на складе в Германии
На складе
Номинальное напряжение UN
24 В DC
Упаковочная единица
1
Минимальное количество, предусмотренное условиями заказа
1
Вес/шт. (с упаковкой)
65,8 g
Вес/шт. (без упаковки)
39,46 g
Цвет
синий (RAL 5015)
Валюта
RUR
Самовывоз
нет
Дата обновления
2026-01-30T07:19:11.683
Ссылка на сайт производителя
https://www.phoenixcontact.com/ru-pc/produkty/ustroistvo-zasity-ot-perenaprazenii-ttc-6p-1x2-ex-24dc-ut-i-1065312
Изоляционные характеристики
Изоляционные характеристики
Категория перенапряжения
III
Степень загрязнения
2
Тип подключения
Винтовые зажимы
Резьба винтов
M3
Момент затяжки
0,5 Нм ... 0,6 Нм
Сечение жесткого провода
0,2 мм² ... 4 мм²
Сечение проводника AWG
24 ... 12
Сечение гибкого провода
0,2 мм² ... 2,5 мм²
Высота
≤ 2000 м (amsl)
Класс воспламеняемости согласно UL 94
V-0
Изоляционный материал
PBT
Механические данные
Механические данные
Открытая боковая стенка
Нет
Условия окружающей среды
Условия окружающей среды
Температура окружающей среды (при эксплуатации)
-40 °C ... 85 °C,
-40 °C ... 70 °C (с ограничением токовых характеристик)
Температура окружающей среды (хранение/транспорт)
-40 °C ... 85 °C
Тип монтажа
Монтажная рейка: TH 35 - 7,5 mm
Номер таможенного тарифа
85363010
Страна происхождения
DE
Серия изделий
TERMITRAB complete
Допустимая отн. влажность воздуха (при эксплуатации)
5 % ... 95 %
Указание
2018,
2012,
2000 + поправка 2001 + A1:2008, измененный + A2:2012,
2001 + A1:2009 + A2:2013,
2017,
2008
Расчетный ток
600 мА (40 °C)
UL, США / Канада
Class I, Div. 2, Groups A, B, C, D T4A
Степень защиты
IP20
Производитель
Phoenix Contact
Материал корпуса
PBT
Стандарты/нормативные документы
МЭК 60079-0,
МЭК 61643-21,
EN 61643-21,
EN 60079-0,
EN 60079-11,
МЭК 60079-11
Ключ изделия
CL2163
Соответствие/сертификаты
Соответствие/сертификаты
Товар поставляется стандартно
true
Поддерживается на складе в Германии
Да
Конструкция
Модуль для установки на монтажную рейку, состоящий из двух частей, закрепляется на защелках
Пара жил на модуль
1
Макс. длительное рабочее напряжение UC
30 В DC
Эффективный рабочий ток IC при UC
≤ 5 мкA
Преимущества
Экономия пространства и затрат благодаря узкой конструкции всего 6 мм|Постоянный контроль защитных устройств и механический индикатор состояния с опциональной дистанционной сигнализацией|Простота выбора для любых требований в области контрольно-измерительных приборов и автоматики благодаря полному портфолио с индивидуальными характеристиками изделий|Простая проверка и документирование с CHECKMASTER 2 благодаря штекерным защитным модулям|Отсутствие воздействия на сигнал во время обслуживания благодаря вставке и извлечению защитного штекера с нейтральным импедансом
Совместимые товары_1
ссылка на артикул0825027, ссылка на артикул0808710, ссылка на артикул0808736, ссылка на артикул0808765, ссылка на артикул3022276, ссылка на артикул2907810, ссылка на артикул1011977, ссылка на артикул1054762, ссылка на артикул2839295, ссылка на артикул2839512, ссылка на артикул0811228, ссылка на артикул1212602, ссылка на артикул2907831
рекомендуется заказать также
ссылка на артикул2801512,ссылка на артикул2838513,ссылка на артикул2906750,ссылка на артикул2906815,ссылка на артикул2906816,ссылка на артикул2906820,ссылка на артикул2906824,ссылка на артикул2906825
Класс испытания согл. МЭК
C1
Сообщение, неисправность устройства для защиты от импульсных перенапряжений
cветовой
Mаксимальный отводимый импульсный ток ITotal (8/20) мкс
10 кA
Направление действие
Line-Line & Line-Signal Ground/Shield & optional Signal Ground/Shield-Earth Ground
Ток защитного проводника IPE
≤ 1 мкA
Номинал предохранителя, макс.
630 мА (FF)
Номинальный импульсный ток утечки In (8/20) мкс (проводник-проводник)
5 кA
Номинальный импульсный ток утечки In (8/20) мкс (фаза-земля)
5 кA
Отводимый импульсный ток Iimp (10/350) мкс (жила-земля)
0,5 кA
Уровень защиты Up (жила-жила)
≤ 55 В (C1 - 1 кВ / 500 A)
Уровень защиты Up (жила-земля)
≤ 900 В (C1 - 1 кВ / 500 A)
Время срабатывания tA (фаза-фаза)
≤ 1 нс
Время срабатывания tA (фаза-земля)
≤ 100 нс
Вносимое затухание aE, сим.
тип. 0,3 дБ (≤ 250 кГц / 150 Ом)
Максимальная частота fg (3 дБ), сим. в системах сопротивлением 150 Ом
тип. 940 кГц
Емкость (фаза-фаза)
тип. 2 нФ
Сопротивление на цепь
1,65 Ом ±20 %
Устойчивость к импульсному току (фаза-фаза)
C1 - 1 кВ / 500 A
Устойчивость к импульсному току (фаза-земля)
C1 - 1 кВ / 500 A
Время сброса импульса (фаза-фаза)
≤ 700 мс
Время сброса импульса (фаза-земля)
≤ 30 мс
EN 61643-21
EN 61643-21
Максимальная внутренняя емкость Сi
возможность игнорирования
Макс. внутренняя индуктивность Li
возможность игнорирования
Максимальный входной ток Ii
400 мА (T4 / -40 °C ... +50 °C)
макс. входное напряжение Ui
30 В DC
Напряжения изоляции относительно земли
180 В DC
Отводимый импульсный ток Iimp (10/350) мкс (жила-жила)
0,5 кA
Уровень защиты Up, статический (жила-жила)
≤ 50 В (C1 - 1 кВ / 500 A)
Уровень защиты Up, статический (жила-земля)
≤ 900 В (C1 - 1 кВ / 500 A)
Все характеристики
Отзывы
Отзывов еще никто не оставлял
