Описание
Характеристики
Отзывы
Описание
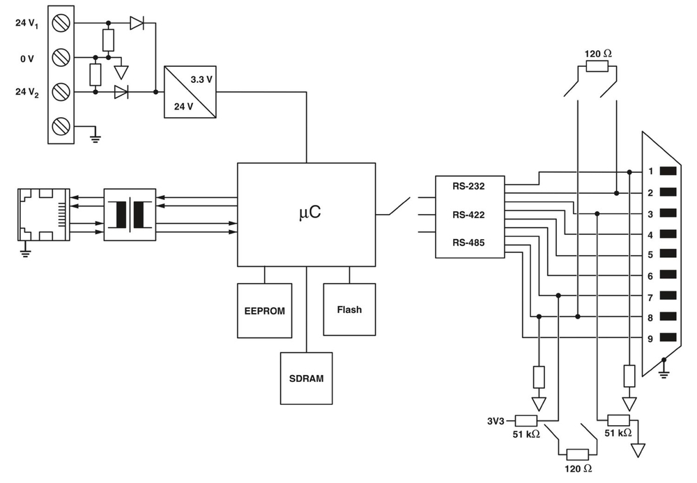
GW EIP/MODBUS... обеспечивает двустороннюю связь между протоколами EtherNet/IP ™ и Modbus. Включает один разъем RJ45 и два разъема D-SUB-9.
Характеристики
Штрих-код
4055626718460
Габариты (ДxШxВ, см):
22.5x99x115
Номер артикула
1062423
статус на складе в Германии
На складе
Количество точек подключения
2
Упаковочная единица
1
Минимальное количество, предусмотренное условиями заказа
1
Вес/шт. (с упаковкой)
185,2 g
Вес/шт. (без упаковки)
125 g
Цвет
cерый
Валюта
RUR
Самовывоз
нет
Дата обновления
2026-01-30T06:03:58.48
Ссылка на сайт производителя
https://www.phoenixcontact.com/ru-pc/produkty/preobrazovatel-interfeisa-gw-eip-modbus-1e-2db9-1062423
Макс. мощность потерь при номинальных условиях
2,04 Вт (при 24 В DC)
Тип подключения
Гнездовая часть разъема RJ45, экранированная,
Штекер D-SUB-9
Момент затяжки
0,5 Нм ... 0,6 Нм
Сечение гибкого провода
0,20 мм² ... 2,50 мм²
Высота
2000 м
Условия окружающей среды
Условия окружающей среды
Температура окружающей среды (при эксплуатации)
-40 °C ... 70 °C
Температура окружающей среды (хранение/транспорт)
-40 °C ... 80 °C
Допустимая влажность воздуха (хранение / транспортировка)
5 % ... 95 % (без выпадения конденсата)
Тип монтажа
Установка на монтажную рейку
Номер таможенного тарифа
85176200
Страна происхождения
US
Допустимая отн. влажность воздуха (при эксплуатации)
10 % ... 95 % (без выпадения конденсата)
Стандарты / нормативные документы
EN 55022, EN 55024
Испытание вредными газами
ISA-S71.04-1985 G3 Harsh Group A
Электромагнитная совместимость
Соответствие директиве EMV 2014/30/EU
UL, США / Канада
Class I, Div. 2, Groups A, B, C, D T4A
Питание
Питание
Степень защиты
IP20
Диапазон напряжения питания
10,8 В DC ... 30 В DC (с помощью вставных винтовых клемм COMBICON)
Ограничение износа
Ограничение износа
Указание по ЭМС
ЭМС: продукт класса А, см. декларацию производителя в разделе загрузок
ATEX
DEMKO 18ATEX 2026X: II 3 GEx ec IIC T4 Gc
IECEx
IECEx UL 18.0023XEx ec IIC T4 Gc
UL, США
UL 61010-1
Производитель
Phoenix Contact
Материал корпуса
PA 6.6
Стандарты/нормативные документы
EN 61000-6-4
Помехоустойчивость
EN 61000-6-2:2005
Излучение помех
Излучение помех
Ключ изделия
DNC323
Функция
Функция
Соответствие/сертификаты
Соответствие/сертификаты
Товар поставляется стандартно
true
Поддерживается на складе в Германии
Да
Количество каналов
1
Указание по применению
Указание по применению,
Только для промышленного использования
Совместимые товары_1
ссылка на артикул2799474, ссылка на артикул2761499, ссылка на артикул2311797, ссылка на артикул2708753, ссылка на артикул2832263, ссылка на артикул2832580, ссылка на артикул2891152, ссылка на артикул2881007, ссылка на артикул2744241, ссылка на артикул2799490, ссылка на артикул1411854, ссылка на артикул1408365, ссылка на артикул1656725, ссылка на артикул1419001, ссылка на артикул1688803, ссылка на артикул1688793, ссылка на артикул1419722, ссылка на артикул1419705, ссылка на артикул2744461, ссылка на артикул2744429, ссылка на артикул2906797, ссылка на артикул2906786
рекомендуется заказать также
ссылка на артикул1062540,ссылка на артикул2702769,ссылка на артикул2702770,ссылка на артикул2702771,ссылка на артикул2702772,ссылка на артикул2702773,ссылка на артикул2702774,ссылка на артикул2702776
Указание CCCex
Запрещено использование во взрывоопасных зонах в Китае.
Скорость последовательной передачи данных
10/100 Мбит/с, функция Autonegotiation,
0,3; 0,6; 1,2; 2,4; 4,8; 9,6; 19,2; 38,4; 57,6; 115,2; 230,4 кбит/с
Назначение выводов
DTE,
2, 3, 5, 7, 8,
3, 5, 7
Дальность передачи
≤ 100 м (Витая пара, экранированная),
15 м,
≤ 1200 м
Гальваническая развязка
МЭК UL 61010-1 (VCC // Ethernet)
Испытательное напряжение, интерфейс передачи данных / питание
1,5 кВeff (50 Гц, 1 мин)
Потребляемый ток, макс.
85 мА (24 В DC)
Сигнал
Ethernet
Поддерживаемые протоколы
EtherNet/IP, MODBUS ASCII/RTU/TCP
Соответствие нормам
Соответствие CE
Сечение провода AWG
24 ... 12
MTBF
69,4 лет (Telcordia-стандарт, температура: 25 °С, нагрузка: 50 %, фактор окружающей среды = 1,0)
Испытательное напряжение / интерфейс передачи данных
1,5 кВeff (50 Гц, 1 мин)
Потребляемый ток, типовой
76 мА (24 В DC)
Управление
Управление через Web-интерфейс
Отображение состояний и диагностики
Светодиоды: состояние, ACT/LNK (обмен данными Ethernet)
Web-сервер
да
Вспомогательные протоколы
ARP, DHCP (Client), PING
Данные: RS-232
Данные: RS-232
Формат файла / кодирование
5/6/7/8 бит данных, 1/2 стоп-бит, чётность нет/прямая/непрямая/маркированная/пустая
Контроль потока данных / протокол
Программная поддержка квитирования, Xon/Xoff или аппаратная поддержка квитирования RTS/CTS
Данные: RS-422
Данные: RS-422
Нагрузочный резистор
120 Ом (конфигурируемый)
Данные: RS-485
Данные: RS-485
Вибростойкость соотв. EN 60068-2-6/IEC 60068-2-6
:
Ударопрочность согласно EN 60068-2-27/МЭК 60068-2-27
:
Данные по взрывозащищенности
Данные по взрывозащищенности
Modbus/TCP-Client
Modbus/TCP-Client
Количество клиентов Modbus TCP
96
Данные: EtherNet/IP™, Modbus TCP
Данные: EtherNet/IP™, Modbus TCP
Все характеристики
Отзывы
Отзывов еще никто не оставлял
