Описание
Характеристики
Отзывы
Описание
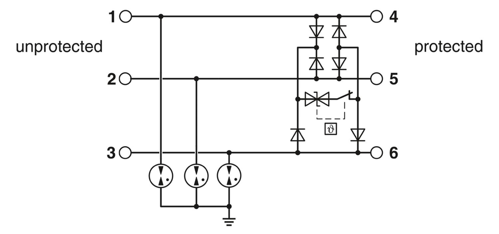
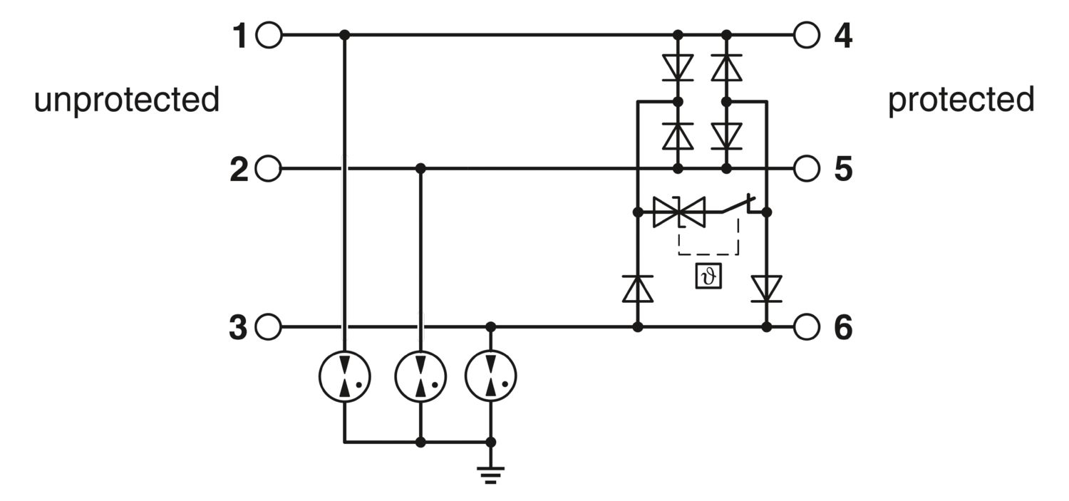
Защита от перенапряжений (защитный штекер и базовый элемент), со встроенным индикатором состояния для 3-жильной сигнальной цепи без потенциала земли с высоким номинальным током, допуск EX e для зоны 2, с поддержкой HART. Может использоваться в ориентированных на безопасность цепях до SIL 3.
Характеристики
Штрих-код
4055626715742
Габариты (ДxШxВ, см):
6.2x105.8x100
Номер артикула
1061383
статус на складе в Германии
На складе
Номинальное напряжение UN
24 В DC
Упаковочная единица
1
Минимальное количество, предусмотренное условиями заказа
1
Вес/шт. (с упаковкой)
41,2 g
Вес/шт. (без упаковки)
41,2 g
Валюта
RUR
Самовывоз
нет
Дата обновления
2026-01-30T06:01:31.343
Ссылка на сайт производителя
https://www.phoenixcontact.com/ru-pc/produkty/ustroistvo-zasity-ot-perenaprazenii-ttc-6p-3-24dc-pt-i-1061383
Изоляционные характеристики
Изоляционные характеристики
Категория перенапряжения
III
Степень загрязнения
2
Тип подключения
Зажимы Push-in
Сечение жесткого провода
0,2 мм² ... 4 мм²
Сечение проводника AWG
24 ... 12
Сечение гибкого провода
0,2 мм² ... 2,5 мм²
Высота
≤ 4000 м (amsl),
≤ 2000 м (amsl)
Класс воспламеняемости согласно UL 94
V-0
Изоляционный материал
PBT
Механические данные
Механические данные
Открытая боковая стенка
Нет
Условия окружающей среды
Условия окружающей среды
Температура окружающей среды (при эксплуатации)
-40 °C ... 85 °C,
-40 °C ... 80 °C (T4)
Температура окружающей среды (хранение/транспорт)
-40 °C ... 85 °C
Тип монтажа
Монтажная рейка: TH 35 - 7,5 mm
Номер таможенного тарифа
85363010
Страна происхождения
DE
Серия изделий
TERMITRAB complete
Допустимая отн. влажность воздуха (при эксплуатации)
5 % ... 95 %
Указание
2018,
2000 + поправка 2001 + A1:2008, измененный + A2:2012,
2001 + A1:2009 + A2:2013,
2017,
2015 + A1:2018
Расчетный ток
5 A (55 °C)
UL, США / Канада
Class I, Div. 2, Groups A, B, C, D T4A
Степень защиты
IP20
Производитель
Phoenix Contact
Материал корпуса
PBT
Стандарты/нормативные документы
МЭК 60079-0,
МЭК 61643-21,
EN 61643-21,
МЭК 60079-7,
EN IEC 60079-0,
EN IEC 60079-7
Ключ изделия
CL2162
Соответствие/сертификаты
Соответствие/сертификаты
Товар поставляется стандартно
true
Поддерживается на складе в Германии
Да
Конструкция
Модуль для установки на монтажную рейку, состоящий из двух частей, закрепляется на защелках
Макс. длительное рабочее напряжение UC
30 В DC
Эффективный рабочий ток IC при UC
≤ 5 мкA
Преимущества
Экономия пространства и затрат благодаря узкой конструкции всего 6 мм|Постоянный контроль защитных устройств и механический индикатор состояния с опциональной дистанционной сигнализацией|Простота выбора для любых требований в области контрольно-измерительных приборов и автоматики благодаря полному портфолио с индивидуальными характеристиками изделий|Простая проверка и документирование с CHECKMASTER 2 благодаря штекерным защитным модулям|Отсутствие воздействия на сигнал во время обслуживания благодаря вставке и извлечению защитного штекера с нейтральным импедансом
Совместимые товары_1
ссылка на артикул0811228, ссылка на артикул0825027, ссылка на артикул0808710, ссылка на артикул0808736, ссылка на артикул0808765, ссылка на артикул2907811, ссылка на артикул2839295, ссылка на артикул2839512, ссылка на артикул1061384
рекомендуется заказать также
ссылка на артикул1065314,ссылка на артикул1106014,ссылка на артикул2905023,ссылка на артикул2906755,ссылка на артикул2906794,ссылка на артикул2906815,ссылка на артикул2906816,ссылка на артикул2906817,ссылка на артикул2907811
Класс испытания согл. МЭК
C1
Сообщение, неисправность устройства для защиты от импульсных перенапряжений
cветовой
Mаксимальный отводимый импульсный ток ITotal (8/20) мкс
10 кA
Цвет (Базовый элемент)
серый (RAL 7042)
Цвет (Штекер)
cветло серый (RAL 7035)
Направление действие
Line-Line & Line-Signal Ground/Shield & optional Signal Ground/Shield-Earth Ground
Ток защитного проводника IPE
≤ 1 мкA
Номинал предохранителя, макс.
5 A (F)
Максимальный входной ток
5 A (55 °C)
Максимальное входное напряжение
30 В DC
Номинальный импульсный ток утечки In (8/20) мкс (проводник-проводник)
0,5 кA
Номинальный импульсный ток утечки In (8/20) мкс (фаза-земля)
5 кA
Отводимый импульсный ток Iimp (10/350) мкс (жила-земля)
0,5 кA
Уровень защиты Up (жила-жила)
≤ 68 В (C1 - 1 кВ / 500 A)
Уровень защиты Up (жила-земля)
≤ 700 В (C1 - 1 кВ / 500 A)
Время срабатывания tA (фаза-фаза)
≤ 1 нс
Время срабатывания tA (фаза-земля)
≤ 100 нс
Вносимое затухание aE, сим.
тип. 0,3 дБ (≤ 12 МГц / 150 Ω)
Максимальная частота fg (3 дБ), сим. в системах сопротивлением 150 Ом
тип. 60 МГц
Емкость (фаза-фаза)
тип. 30 пФ
Емкость (фаза-земля)
тип. 30 пФ
Сопротивление на цепь
0,1 Ом
Устойчивость к импульсному току (фаза-фаза)
C1 - 1 кВ / 500 A
Устойчивость к импульсному току (фаза-земля)
C1 - 1 кВ / 500 A
Время сброса импульса (фаза-фаза)
≤ 30 мс
Время сброса импульса (фаза-земля)
≤ 500 мс
EN 61643-21
EN 61643-21
Все характеристики
Отзывы
Отзывов еще никто не оставлял
