Описание
Характеристики
Отзывы
Описание
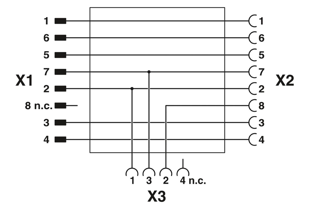
Y-образный разветвитель для переключателя транспондеров RFID серии PSR-CT, штекер/гнездо M12, 5- и 8-конт., для реализации схемы ручного запуска в полевых условиях
Характеристики
Штрих-код
4055626698014
Габариты (ДxШxВ, см):
39x16x0
Номер артикула
1054339
статус на складе в Германии
В настоящее время нет на складе
Номинальное напряжение UN
30 В AC
Упаковочная единица
1
Минимальное количество, предусмотренное условиями заказа
1
Вес/шт. (с упаковкой)
32,9 g
Вес/шт. (без упаковки)
22,2 g
Валюта
RUR
Самовывоз
нет
Дата обновления
2026-01-30T03:48:44.74
Ссылка на сайт производителя
https://www.phoenixcontact.com/ru-pc/produkty/y-razvetvitel-sac-8py-m-2xf-bk-2-psr-1054339
Изоляционные характеристики
Изоляционные характеристики
Категория перенапряжения
II
Степень загрязнения
3
Класс воспламеняемости согласно UL 94
HB
Механические данные
Механические данные
Условия окружающей среды
Условия окружающей среды
Номер таможенного тарифа
85366990
Страна происхождения
PL
Полюсов
8
Циклы установки
≥ 100
Индикатор состояния
нет
Степень защиты
IP65
Сопротивление изоляции
≥ 100 МОм
Производитель
Phoenix Contact
Обозначение стандарта
Разъем M12
Стандарты/нормативные документы
МЭК 61076-2-101
Ключ изделия
AF1GAC
Товар поставляется стандартно
true
Поддерживается на складе в Германии
Нет
Материал, контакт
CuZn
Номинальный ток IN
2 A
Конструкция
Штекеры прямое M12 SPEEDCON,
Гнездо прямое M12 SPEEDCON
Материал, контактная поверхность
Ni/Au
Тип резьбы
M12
accessory_for1
ссылка на артикул2702973, ссылка на артикул2702972, ссылка на артикул2702975, ссылка на артикул2702976
Преимущества
Простая реализация безопасного подключения в ряд до 30 устройств|Удобный монтаж с разъемом M12|Исключает ошибки разводки|Экономит кабель до электрошкафа
Совместимые товары_1
ссылка на артикул1680539, ссылка на артикул1430488, ссылка на артикул1430899, ссылка на артикул1430873, ссылка на артикул1208429, ссылка на артикул1208432, ссылка на артикул2702973, ссылка на артикул2702972, ссылка на артикул2702975, ссылка на артикул2702976, ссылка на артикул2702973, ссылка на артикул2702972, ссылка на артикул2702975, ссылка на артикул2702976
рекомендуется заказать также
ссылка на артикул0803360,ссылка на артикул1026165,ссылка на артикул1054341,ссылка на артикул1054366,ссылка на артикул1115613,ссылка на артикул1613629,ссылка на артикул2906787
Материал, уплотнение
NBR
Температура окружающей среды (при эксплуатации) (Вилка / розетка)
-25 °C ... 90 °C (вилка / розетка)
Количество подключаемых кабелей
2
Подключение 1
Подключение 1
Подключение 2
Подключение 2
Экранирован.
нет
Механические ключи
A
Индикатор состояния имеется
нет
Материал, держатель контакта
TPU GF
Тип фиксатора
SPEEDCON
M12
M12
Материал корпуса ручки
TPU, трудновоспламеняем., самозатухающий
Материал резьбового соединения
Цинк. литья под давлением, с никелевым покрытием
Вид кодировки
A
Подключение 3
Подключение 3
Все характеристики
Отзывы
Отзывов еще никто не оставлял
