Описание
Характеристики
Отзывы
Описание
Реле и модуль оповещения SMS, версия для Европы, контроль цифровых значений по сети мобильной связи, удаленная коммутация релейных выходов, связь посредством SMS или канал мобильной связи, напряжение питания 93 В ... 250 В AC
Характеристики
Штрих-код
4055626592411
Габариты (ДxШxВ, см):
72x90x62
Номер артикула
1038568
статус на складе в Германии
На складе
Предельный ток длительной нагрузки
5 A
Коммутационная способность
750 ВА
Упаковочная единица
1
Минимальное количество, предусмотренное условиями заказа
1
Вес/шт. (с упаковкой)
232,39 g
Вес/шт. (без упаковки)
178,03 g
Валюта
RUR
Самовывоз
нет
Дата обновления
2026-01-28T08:38:45.093
Ссылка на сайт производителя
https://www.phoenixcontact.com/ru-pc/produkty/rele-sms-tc-mobile-i-o-x200-4g-ac-1038568
Макс. мощность потерь при номинальных условиях
3,45 Вт
Тип подключения
Винтовые зажимы,
Mini USB, тип B, 5-контактн.,
SMA (гнездовой)
Момент затяжки
0,5 Нм ... 0,6 Нм (5-7 lbs-in, винтовые клеммы)
Длина снятия изоляции
6,50 мм
Сечение гибкого проводника [AWG]
24 ... 14
Высота
2000 м
Условия окружающей среды
Условия окружающей среды
Температура окружающей среды (при эксплуатации)
-25 °C ... 70 °C (Только режим SMS, при соединении для передачи данных учитывать указания по снижению номинальных характеристик в технической документации)
Температура окружающей среды (хранение/транспорт)
-40 °C ... 85 °C
Тип монтажа
Установка на монтажную рейку
Номер таможенного тарифа
85176200
Страна происхождения
DE
Допустимая отн. влажность воздуха (при эксплуатации)
0 % ... 95 %
Указание
RED 2014/53/EU
Применение
Ввод-вывод
Стандарты / нормативные документы
EN 61000-4-2,
EN 61000-4-3,
EN 61000-4-4,
EN 61000-4-5,
EN 61000-4-6,
EN 61000-4-11,
EN 50360,
EN 50121-4
Коммутация
Коммутация
Исполнение контакта
Замыкатель
Максимальное напряжение переключения
125 В DC
Минимальное напряжение переключения
5 В
CE
CE
Сертификат
Соответствие требованиям ЕС
Электромагнитная совместимость
Соответствие директиве ЭМС 2014/30/ЕС и директиве RED 2014/53/ЕС, Делегированный законодательный акт 2022/30
Питание
Питание
Степень защиты
IP20
Падение напряжения
Падение напряжения
Количество
1
Диапазон напряжения питания
93 В AC ... 250 В AC (47,5 Гц ... 63 Гц)
Производитель
Phoenix Contact
Вход
± 2 кВ (Неэкранированный кабель питания),
± 1 кВ (симметричный, неэкранированный кабель питания)
Излучение помех
Излучение помех
Диапазон частот
0,15 МГц ... 80 МГц,
800 МГц (LTE B20),
26 МГц ... 6 ГГц
Разряд статического электричества
Разряд статического электричества
Разряд между контактами
± 6 кВ
Воздушный разряд
± 8 кВ
Примечания
Критерий A,
Критерий B
Электромагнитное высокочастотное поле
Электромагнитное высокочастотное поле
Быстрые переходные процессы (всплески)
Быстрые переходные процессы (всплески)
Влияние помех по цепи питания
Влияние помех по цепи питания
Напряжение
10 В
Критерии
Критерии
Критерий А
Нормальные рабочие параметры со значениями в заданных пределах.
Критерий B
Временное ухудшение рабочих параметров, которое устраняется самим устройством.
Ключ изделия
DNC423
Излучение радиопомех согл. EN 55011
класс B, использование в промышленных и жилых помещениях
Товар поставляется стандартно
true
Поддерживается на складе в Германии
Да
Сечение гибкого проводника с кабельным наконечником, без пластмассовой втулки
0,25 мм² ... 2,5 мм²
Сечение гибкого проводника с кабельным наконечником и изолирующим хомутом
0,25 мм² ... 2,5 мм²
Указание по применению
Указание по применению,
Только для промышленного использования
Преимущества
Перспективная технология 4G (LTE CAT1), одновременное использование широко распространенных сетей 2G (GSM, GPRS, EDGE)|Аварийное оповещение через SMS в полевых условиях|Сигнальная цепь для вызова ответственного инженера сервисной службы|Аварийная сигнализация о сбоях в сети питания через SMS|Бесплатное переключение по телефонному звонку|Контроль расходов при помощи предоплаченных карт|Дистанционные команды, чтобы не привлекать специалистов на местах: переключение, конфигурационные команды и отправка журнала регистрации|Компактная конструкция также для домовой установки (4TE, DIN 43880)|Монтаж на несущую рейку или стену
Совместимые товары_1
ссылка на артикул2986135, ссылка на артикул1565400, ссылка на артикул1830085, ссылка на артикул1396318, ссылка на артикул1396316, ссылка на артикул1340139, ссылка на артикул1340143, ссылка на артикул1340144, ссылка на артикул1340147, ссылка на артикул1340123, ссылка на артикул1340124, ссылка на артикул1340125, ссылка на артикул1340126, ссылка на артикул1340127, ссылка на артикул2803166, ссылка на артикул2867843, ссылка на артикул2903182, ссылка на артикул2891053
рекомендуется заказать также
ссылка на артикул0800271,ссылка на артикул1038567,ссылка на артикул1092040,ссылка на артикул1180883,ссылка на артикул1187192,ссылка на артикул1187193,ссылка на артикул2403338,ссылка на артикул3273792
Материал (Корпус)
Поликарбонат
Дальность передачи
≤ 3 м (только для настройки конфигурации и диагностики)
Однопроводное соединение/точка подключения жесткая
0,2 мм² ... 2,5 мм²
Однопроводное соединение/точка подключения гибкая
0,2 мм² ... 2,5 мм²
MTTF
772 лет (Стандарт SN 29500, температура 25 °C, рабочий цикл 21 %)
Потребляемый ток, макс.
90 мА
Непрямой разряд
± 6 кВ
Напряжённость поля
10 В/м
Сигнал
± 1 кВ (Линия передачи данных, несимметричная),
± 2 кВ (Экранированный сигнальный кабель)
Ударная токовая нагрузка (всплеск)
Ударная токовая нагрузка (всплеск)
Цифровой
Цифровой
Описание входа
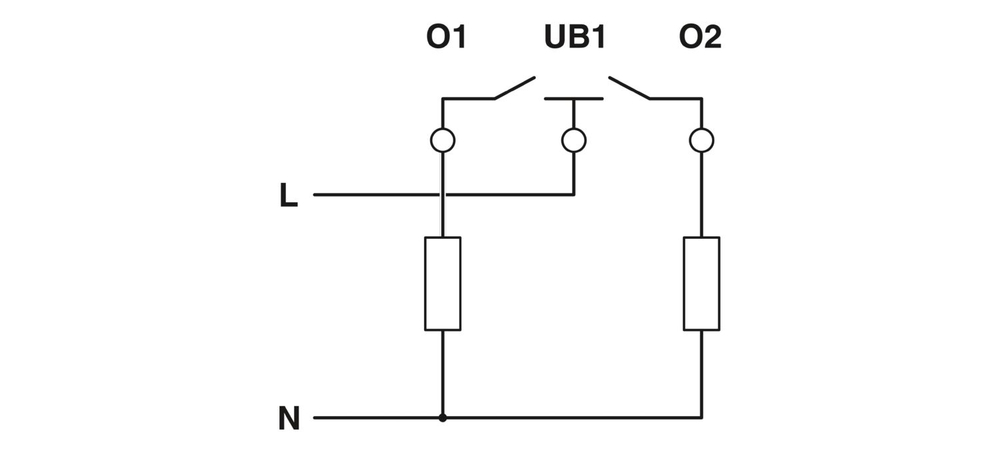
Цифровой вход
Наименование, выход
Релейный выход
Радиосвязь
Радиосвязь
Описание интерфейса
GSM / GPRS / EDGE / LTE (FDD)
Потребляемый ток, типовой
15 мА (при 230 В AC)
Количество входов
4
Количество выходов
4
Тип сети
Мобильная связь
Срок службы электрический
150000 циклов коммутации (5 A / 30 В DC)
Данные: USB 2.0
Данные: USB 2.0
GPRS
Multislot Class 33
EDGE
Multislot Class 33
LTE
CAT1
Цвет (Верхняя часть корпуса)
cветло серый (RAL 7035)
Цвет (Нижняя часть корпуса)
черный (RAL 9005)
Радиодопуск для Европы
Радиодопуск для Европы
Уровень переключения, сигнал "0"
0 В AC ... 50 В AC
Уровень переключения, сигнал "1"
90 В AC ... 250 В AC
Все характеристики
Отзывы
Отзывов еще никто не оставлял
