Описание
Характеристики
Отзывы
Описание
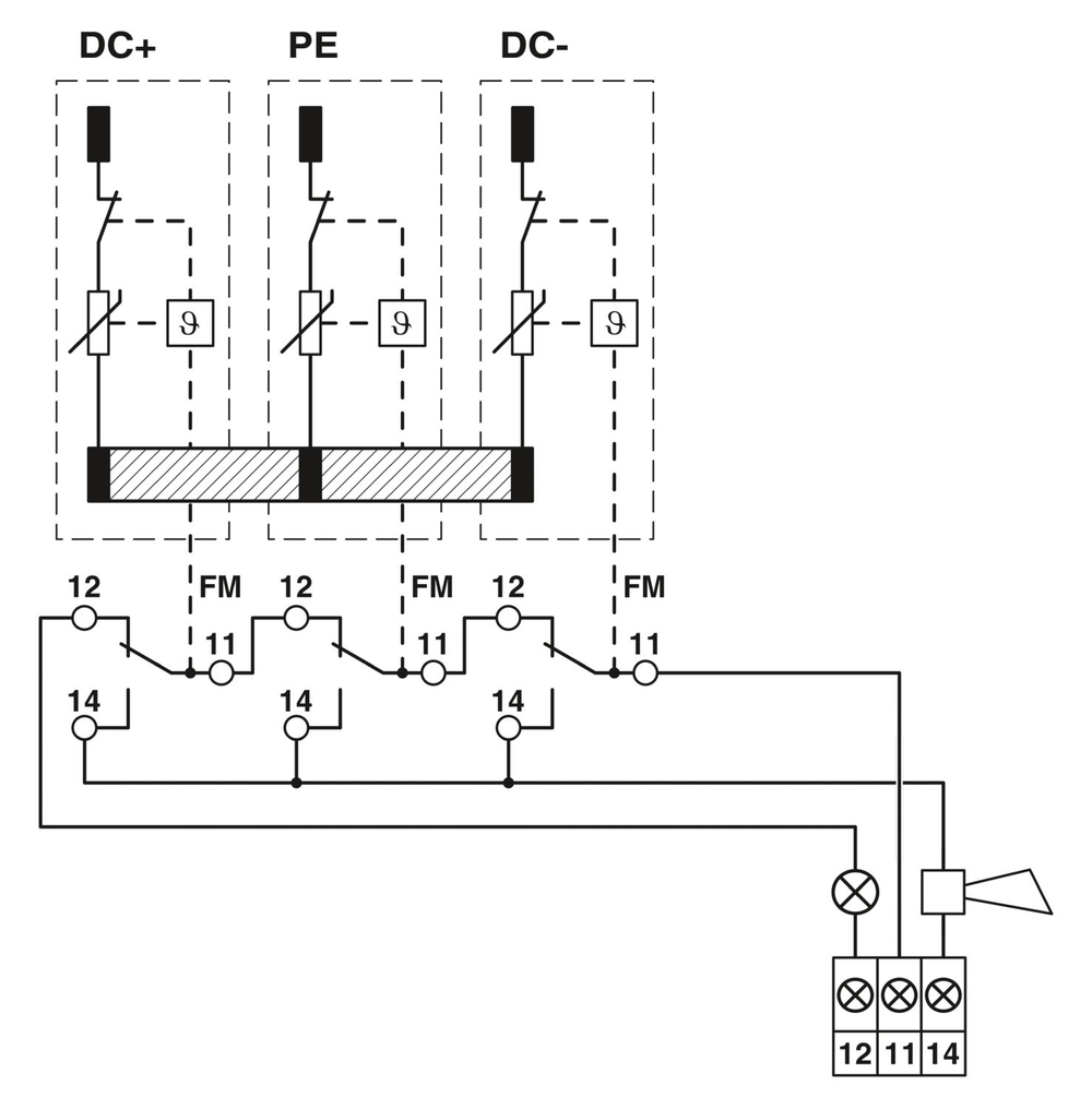
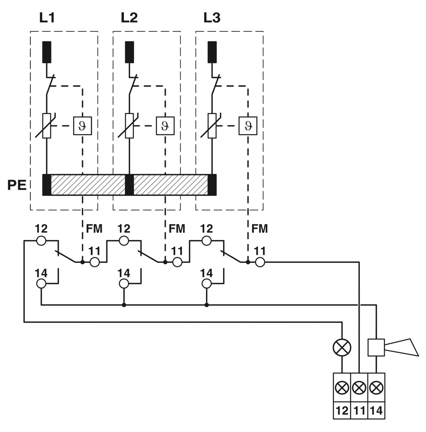
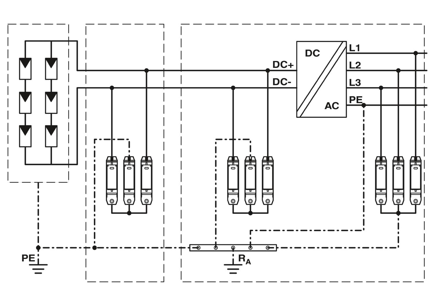
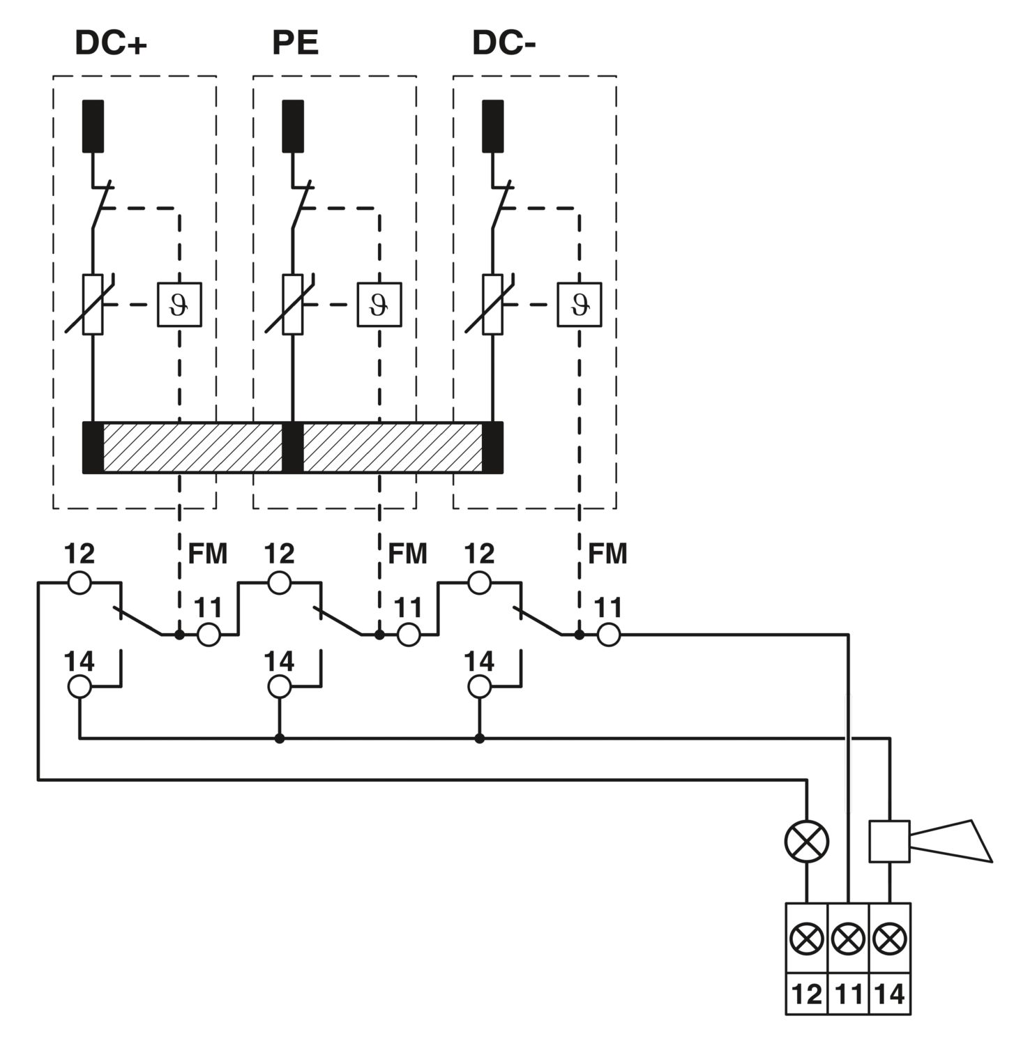
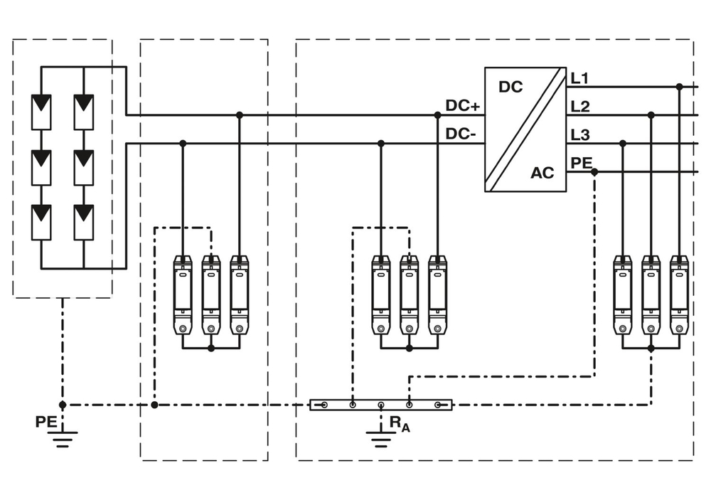
1-канальный цокольный элемент для устройств защиты от импульсных перенапряжений серии VAL-MS тип I и тип II, для изолированных и заземленных систем напряжения до 1500 В DC и 690 В AC, для компактного монтажа на печатных платах, с интегрированным контактом дистанционной сигнализации
Характеристики
Штрих-код
4055626542430
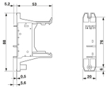
Габариты (ДxШxВ, см):
20x88x53
Номер артикула
1035864
статус на складе в Германии
В настоящее время нет на складе, снято с производства, склад не пополняется с 30 янв. 2026 г.
Упаковочная единица
10
Минимальное количество, предусмотренное условиями заказа
10
Вес/шт. (с упаковкой)
39,77 g
Вес/шт. (без упаковки)
32 g
Цвет
серый (RAL 7042)
Валюта
RUR
Самовывоз
нет
Дата обновления
2026-01-28T08:29:22.673
Ссылка на сайт производителя
https://www.phoenixcontact.com/ru-pc/produkty/bazovyi-element-dla-zasity-ot-perenaprazenii-val-ms-be-pcb-fm-1035864
Изоляционные характеристики
Изоляционные характеристики
Категория перенапряжения
III (при AC)
Степень загрязнения
2
Высота
5000 м (Основная изоляция)
Класс воспламеняемости согласно UL 94
V-0
Изоляционный материал
PA 6.6-FR 20% GF
Условия окружающей среды
Условия окружающей среды
Температура окружающей среды (при эксплуатации)
-40 °C ... 85 °C
Температура окружающей среды (хранение/транспорт)
-40 °C ... 85 °C
Допустимая влажность воздуха (хранение / транспортировка)
5 % ... 95 %
Тип монтажа
Монтаж на печатную плату
Номер таможенного тарифа
85363010
Страна происхождения
CN
Серия изделий
VALVETRAB MS
Допустимая отн. влажность воздуха (при эксплуатации)
5 % ... 95 %
Указание
2011,
2012,
2013
Степень защиты
IP00
Место монтажа
Внутреннее помещение
Производитель
Phoenix Contact
Материал корпуса
PA 6.6-FR 20 % GF
Удары (при эксплуатации)
15г (Полусинусоида / 11 мс / 3x ±X, ±Y, ±Z)
Вибрация (при эксплуатации)
2г (10 Гц ... 500 Гц/2,5 ч/XYZ)
Стандарты/нормативные документы
МЭК 61643-11,
EN 61643-11,
EN 50539-11
Ключ изделия
CL1321
Товар поставляется стандартно
true
Поддерживается на складе в Германии
Нет
Макс. длительное рабочее напряжение UC
760 В AC
Преимущества
С сухим контактом для дистанционной передачи сигналов|Кодирование при первой установке защитного штекера|Одно- и многоконтактная конструкция для установки защитных штекеров
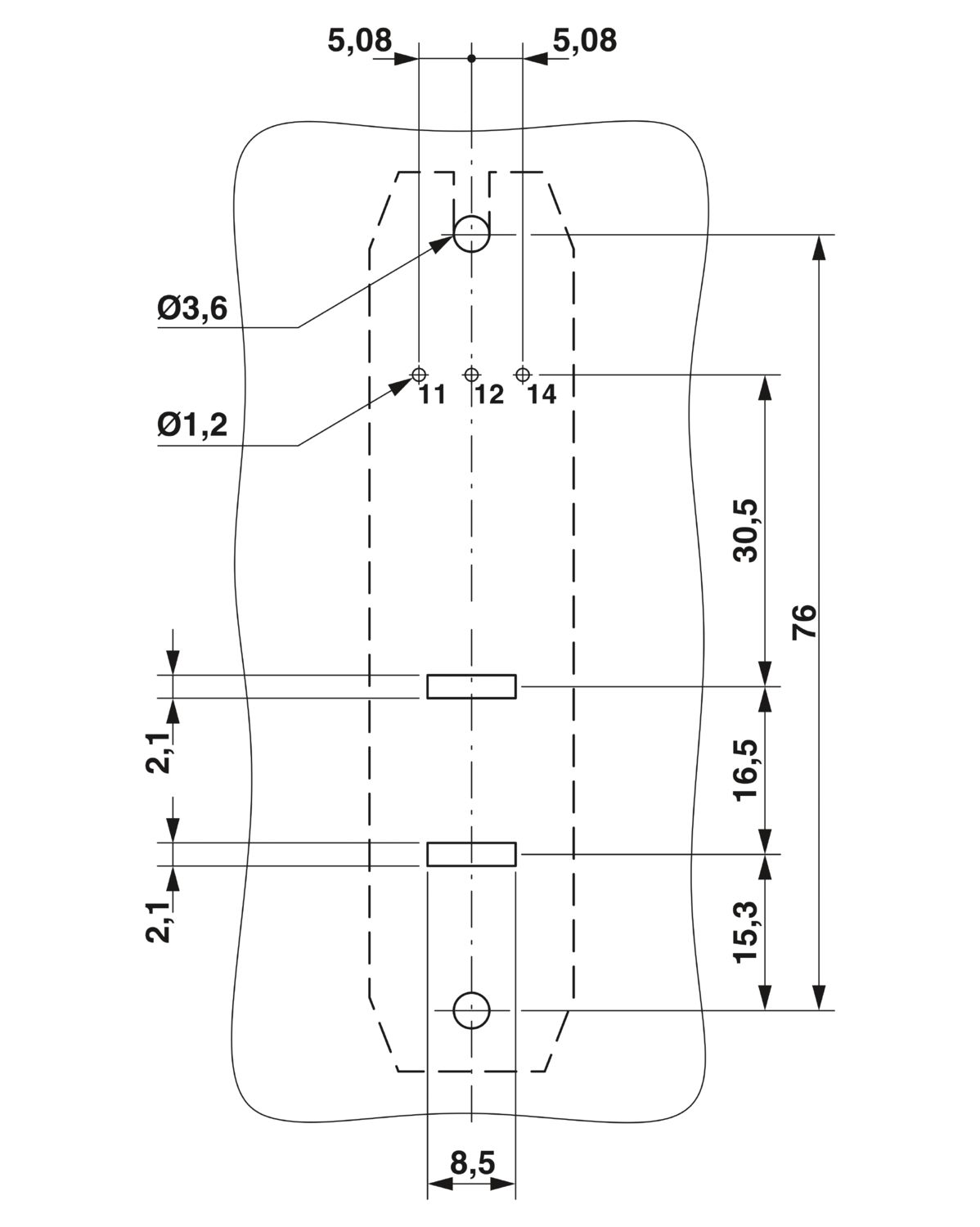
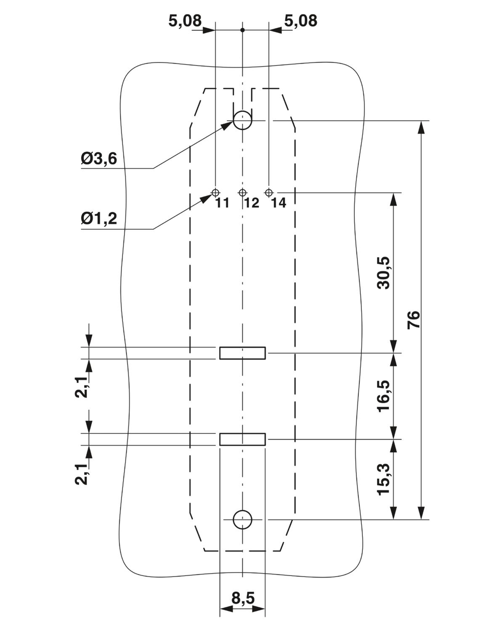
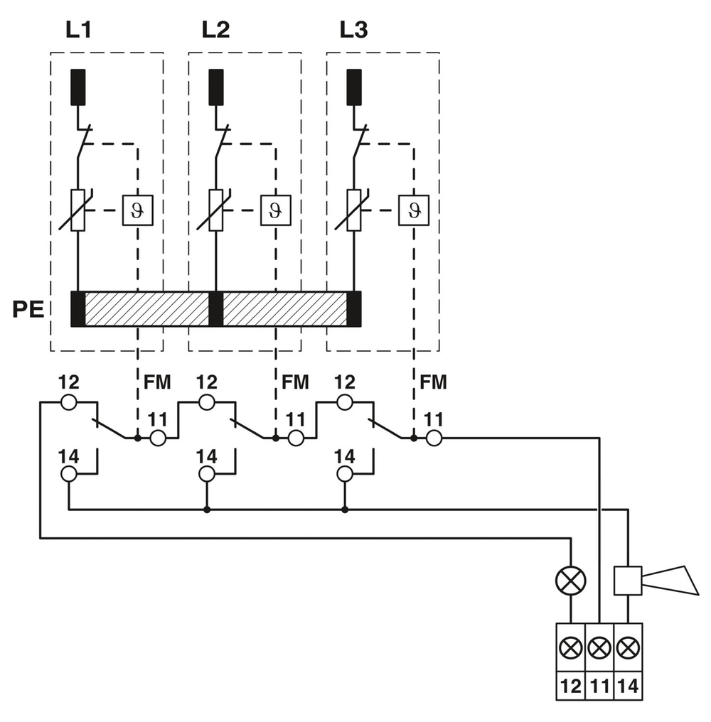
Индикатор / дистанционная сигнализация
Индикатор / дистанционная сигнализация
Рабочее напряжение
5 В AC ... 30 В AC
Рабочий ток
5 мA AC ... 1 A AC
Класс испытания согл. МЭК
I / II
Тип EN
T1 / T2
Доступность
Доступное
Величина CTI материала
600
Группа материала
I
Номинальный импульсный ток утечки In (8/20) мкс
20 кA
Максимальный импульсный ток утечки Imax (8/20) мкс
40 кA
Схема защиты со стороны постоянного напряжения (DC)
Схема защиты со стороны постоянного напряжения (DC)
Макс. напряжение при длительной нагрузке UCPV
800 В DC
Стойкость к короткому замыканию ISCPV
6000 A (DC)
Макс. разрядный ток Imax (8/20) мкс
40 кA
Стойкость к короткому замыканию ISCCR
25 кA (при AC)
Макс. номинал входного предохранителя при подключении ответвлений
250 A (gG)
Расстояние до активных и заземленных компонентов
16 мм
Дополнительные технические данные
Дополнительные технические данные
Функция переключения
Переключающий контакт
Импульсный ток Iimp (10/350) мкс
12,5 кA
Применяемый предохранитель, макс.
250 A (gG)
Все характеристики
Отзывы
Отзывов еще никто не оставлял
