Описание
Характеристики
Отзывы
Описание
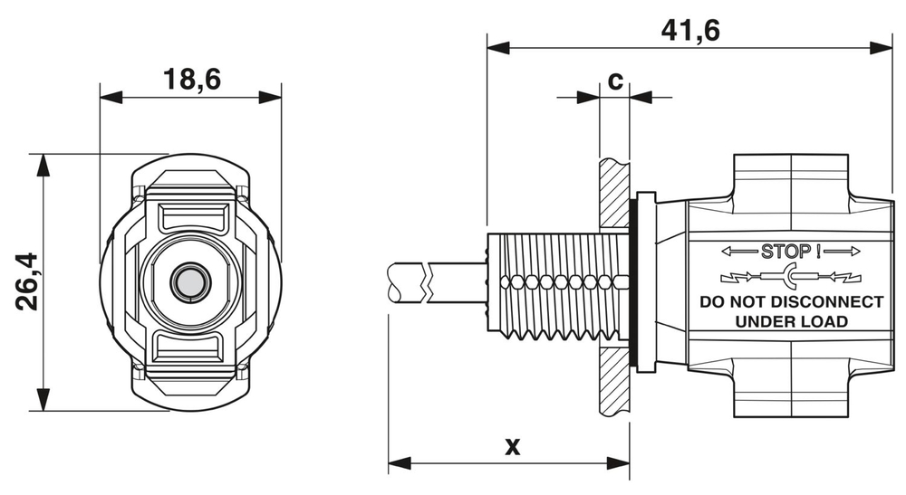
Аппаратн. соединитель передняя стенка, Серия изделий: SUNCLIX, цвет: черный, полюсов: 1, сечение жилы мин.: 6 мм2, расчетный ток: 40 A, Тип подключения: Обжим, длина кабеля: 160
Характеристики
Штрих-код
4055626463063
Габариты (ДxШxВ, см):
26.3x26.3x0
Номер артикула
1001899
статус на складе в Германии
На складе, снято с производства, склад не пополняется с 29 июн. 2026 г.
Упаковочная единица
50
Минимальное количество, предусмотренное условиями заказа
300
Вес/шт. (с упаковкой)
19,43 g
Вес/шт. (без упаковки)
19,176 g
Цвет
черный
Валюта
RUR
Самовывоз
нет
Дата обновления
2026-01-21T23:47:00.313
Ссылка на сайт производителя
https://www.phoenixcontact.com/ru-pc/produkty/apparatn-soedinitel-perednaa-stenka-pv-ft-cm-c-6-160-rd-fe-1001899
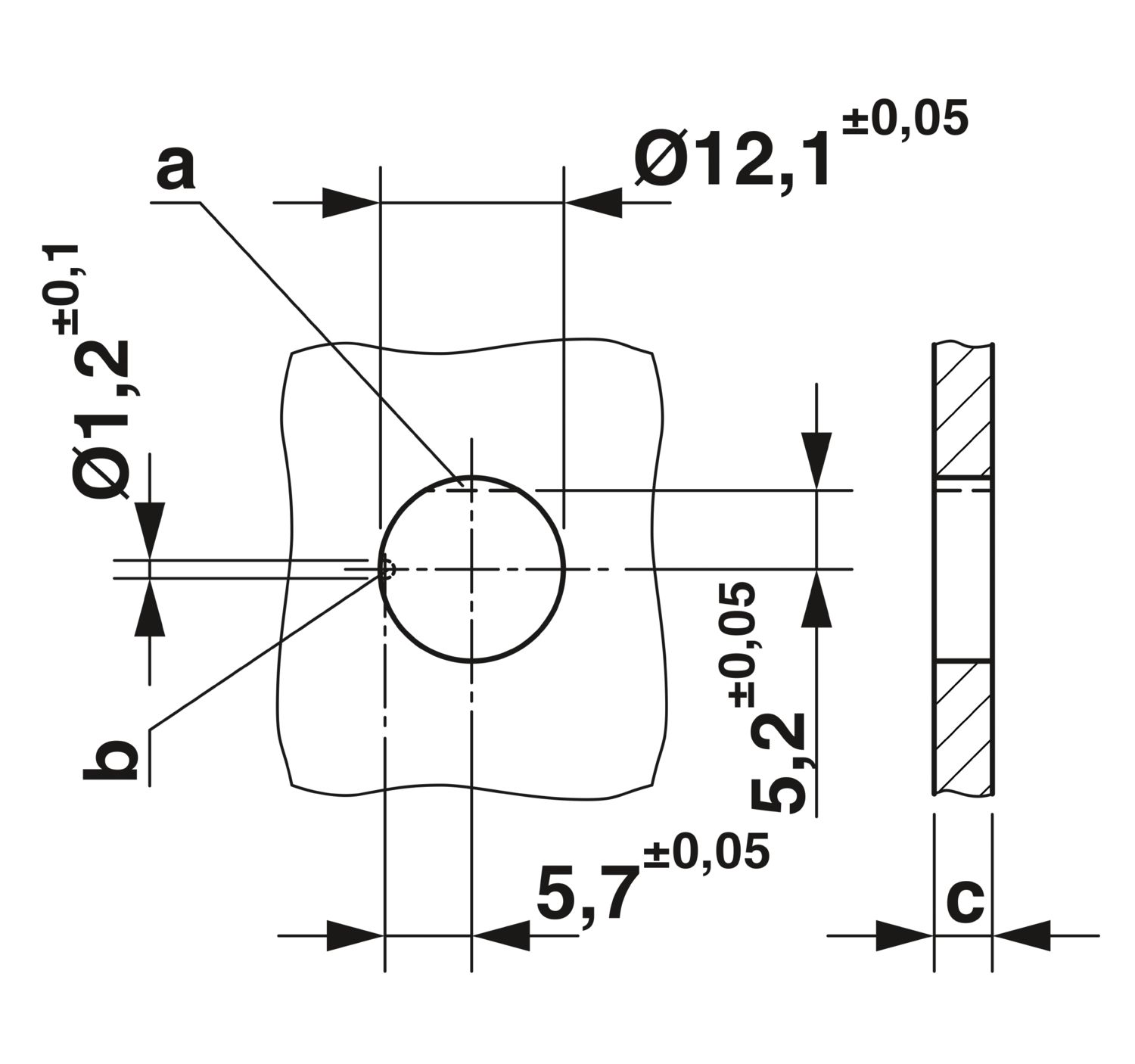
Изоляционные характеристики
Изоляционные характеристики
Степень загрязнения
2
Момент затяжки
1,8 Нм ±0,1 Нм
Класс воспламеняемости согласно UL 94
V0
Группа изоляционного материала
III
Изоляционный материал
mPPE
Механические данные
Механические данные
Условия окружающей среды
Условия окружающей среды
Температура окружающей среды (при эксплуатации)
-40 °C ... 85 °C
Температура окружающей среды (при монтаже)
-25 °C ... 50 °C
Номер таможенного тарифа
85359000
Страна происхождения
DE
Серия изделий
SUNCLIX
Полюсов
1
Контактное сопротивление
0,45 мΩ
Циклы установки
100
Степень защиты
II
Поверхность контакта
Серебро Ag
Длина кабеля
160 мм
Наружный диаметр кабеля
5,40 мм ±0,15 мм
Производитель
Phoenix Contact
Соединение провода
Соединение провода
Стандарты/нормативные документы
МЭК 62852:2014/AMD1:2020
Ключ изделия
ABLBAA
Товар поставляется стандартно
true
Поддерживается на складе в Германии
Нет
Материал, контактная поверхность
Ag
Указания по безопасности
Указания по безопасности,
• ОСТОРОЖНО! Вводить в эксплуатацию только технически безупречные изделия. Изделия необходимо регулярно проверять на повреждения. Немедленно выводить из эксплуатации неисправные изделия. Поврежденные изделия подлежат замене. Ремонт невозможен.
Совместимые товары_1
ссылка на артикул1775880, ссылка на артикул1785430
рекомендуется заказать также
ссылка на артикул1206403,ссылка на артикул1286363,ссылка на артикул1368379,ссылка на артикул1708475,ссылка на артикул1708909,ссылка на артикул1836395,ссылка на артикул1998852
Расчетное напряжение (III/2)
1000 В
Расчетное импульсное напряжение (III/2)
12 кВ
Расчетный ток (6,0 мм²)
40 A
Переходное сопротивление
≤ 0,45 мΩ (в установленном состоянии (без проводника))
Усилие установки
45 Н ±10 Н
Усилие съема
250 Н ±50 Н (в заблокированном состоянии)
Цвет корпуса
черный
Материал Уплотнение
EPDM
Материал Держатель контактов
PPE
Материал Корпус
PPE
Материал Контакт
Cu
Материал кабельного сальника
Elastosil LR 3065/50
Внешняя оболочка, материал
PE-X
Тип кабеля
S03,
Шланговый провод
Конструкция гибкого проводника согласно VDE 0295 / минимальный диаметр проволоки
84x0,3
Построение системы проводников
Диаметр жил 84 x 0,30 мм, лужение, 1-кратная пучковая скрутка
Внешняя оболочка, цвет
красный, аналог RAL 3000
Отдельная жила, материал
Cu
Отдельная жила, сечение
6 мм²
Сечение жил кабеля
6 мм²
Номинальное напряжение, проводник
1,8 кВ DC (макс. U (проводник-проводник, незаземленная система))
Испытательное напряжение, проводник
≥ 8 кВ AC (Электроискровое испытание онлайн (обозначение стандарта))
Минимальный радиус изгиба, при жесткой прокладке
27 мм (5x Ø)
Минимальный радиус изгиба, при подвижной прокладке
54 мм (10x Ø)
Усилие извлечения провода
80 Н
Маслостойкость
нет
Негорючесть
нет
Класс защиты (вставлен)
IP66/IP68 (2 m / 24 h)
Класс защиты (не вставлен)
IP20
Все характеристики
Отзывы
Отзывов еще никто не оставлял
