Описание
Характеристики
Отзывы
Описание
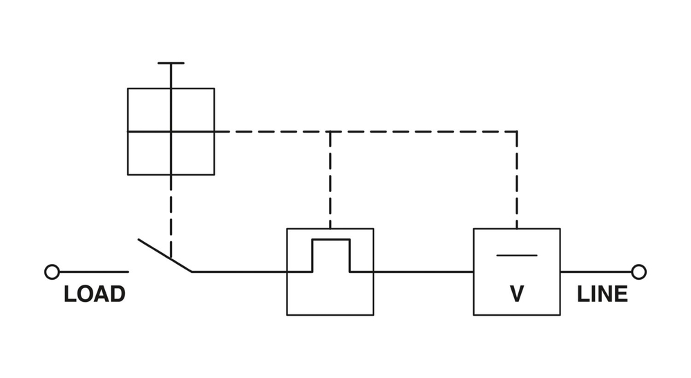
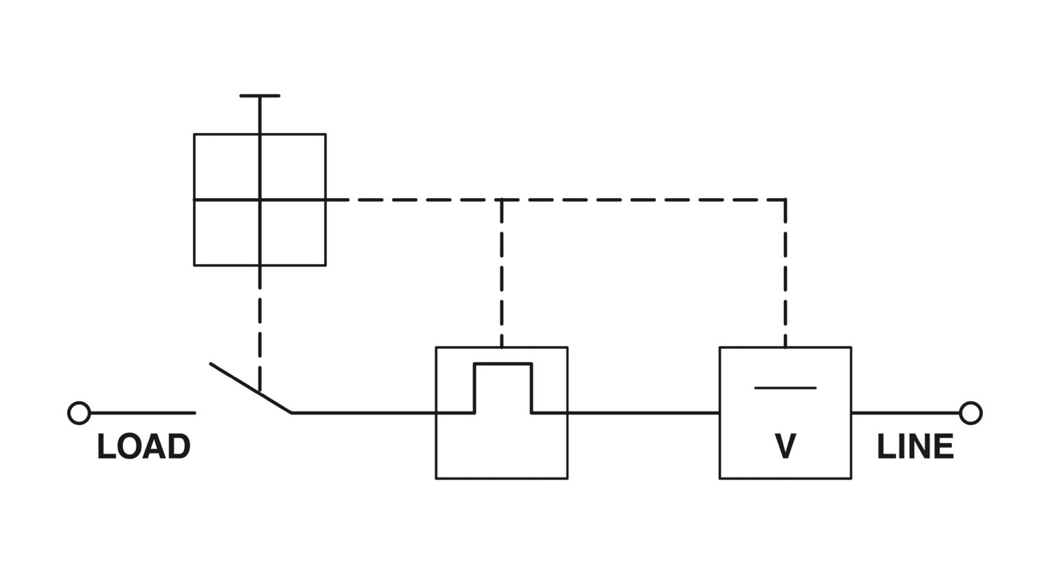
Защитный выключатель с теплоэлектромагнитным расцепителем, однополюсный, для установки на монтажную рейку
Характеристики
Штрих-код
4046356449472
Габариты (ДxШxВ, см):
12.3x85.5x89.5
Номер артикула
0916611
статус на складе в Германии
На складе
Номинальное сечение
6 мм²,
6,00 мм²
Количество рядов
1
Количество точек подключения
2
Рассеиваемая мощность
≤ 1,57 ВА
Общая информация
Общая информация
Упаковочная единица
6
Минимальное количество, предусмотренное условиями заказа
6
Вес/шт. (с упаковкой)
64,51 g
Вес/шт. (без упаковки)
64,51 g
Цвет
серый (RAL 7042)
Валюта
RUR
Самовывоз
нет
Дата обновления
2026-01-21T23:44:39.183
Ссылка на сайт производителя
https://www.phoenixcontact.com/ru-pc/produkty/termomagnitnyi-zasitnyi-vyklucatel-ut-6-tmc-m-12a-0916611
Потенциалы
1
Изоляционные характеристики
Изоляционные характеристики
Категория перенапряжения
II
Степень загрязнения
2
Расчетное импульсное напряжение
2,8 кВ
Макс. мощность потерь при номинальных условиях
≤ 1,57 ВА
Тип подключения
Винтовые зажимы
Резьба винтов
M4
Момент затяжки
1,5 ... 1,8 Нм,
1,5 Нм ... 1,8 Нм
Длина снятия изоляции
12 мм
Сечение жесткого провода
0,2 мм² ... 10 мм²
Сечение проводника AWG
24 ... 8 (пересчитано согласно МЭК),
24 ... 8
Сечение гибкого провода
0,2 мм² ... 10 мм²
Сечение гибкого проводника [AWG]
24 ... 8 (пересчитано согласно МЭК)
Сечение гибкого проводника (с кабельным наконечником без пластиковой втулки)
0,25 мм² ... 6 мм²
Сечение гибкого проводника (с кабельным наконечником и пластиковой втулкой)
0,25 мм² ... 6 мм²
2 жестких провода одинакового сечения
0,2 мм² ... 2,5 мм²
2 гибких провода одинакового сечения
0,2 мм² ... 2,5 мм²
2 гибких проводника одинакового сечения с кабельным наконечником без пластиковой втулки
0,25 мм² ... 1,5 мм²
2 гибких проводника одинакового сечения с наконечником TWIN с пластиковой втулкой
0,5 мм² ... 4 мм²
Номинальный ток
12 A
Номинальное напряжение
240 В AC
Высота
2000 м (согласно EN 60934)
Класс воспламеняемости согласно UL 94
V-0
Изоляционный материал
PA66
Механические данные
Механические данные
Открытая боковая стенка
Нет
Условия окружающей среды
Условия окружающей среды
Температура окружающей среды (при эксплуатации)
-30 °C ... 60 °C
Тип монтажа
Монтажная рейка: 35 мм
Номер таможенного тарифа
85362010
Страна происхождения
CZ
Серия изделий
UT 6-TMC
Полюсов
1
Указание
№ 235
Ярус 1, подключение сверху и снизу
Ярус 1, подключение сверху и снизу
Номинальное сечение AWG
8
Исполнение контакта
нет
Предохранитель
M1 (полуинертн. типа)
Степень защиты
IP40 (Область срабатывания)
Требуемые номиналы предохранителей
25 A
Макс. кол-во коммутационных циклов
6000 (при 1 x In)
Производитель
Phoenix Contact
Стандарты/нормативные документы
EN 60934,
UL 1077,
CSA 22.2
Ключ изделия
CLA122
Товар поставляется стандартно
true
Поддерживается на складе в Германии
Да
Номинальный ток IN
12 A
Конструкция
Модуль для установки на монтажную рейку, неразъемный
Сечение гибкого проводника с кабельным наконечником, без пластмассовой втулки
0,25 мм² ... 6 мм²
Сечение гибкого проводника с кабельным наконечником и изолирующим хомутом
0,25 мм² ... 6 мм²
Тип предохранителя
Автомат
Количество каналов
1
Pасчетное напряжение
240 В AC (50/60 Гц)
Сопротивление изоляции Riso
100 МОм (Главный контакт)
Тип срабатывания
TM (термомагнитный)
Сопротивление прибора
10,9 мΩ
Измеренная коммутационная способность короткого замыкания Icn
200 A (240 В AC)
Электрическая прочность
2000 В
Преимущества
Простота питания поскольку возможно использование перемычек из принадлежностей CLIPLINE complete|Высокая степень готовности оборудования благодаря простому повторному запуску|Простая и быстрая идентификация благодаря большим поверхностям для маркировки|Подходящее устройство для любого приложения благодаря широкому диапазону номинального тока от 0,5 до 16 А|Экономия пространства до 30 % по сравнению с защитными автоматическими выключателями благодаря малой ширине 12,3 мм
Совместимые товары_1
ссылка на артикул3030336, ссылка на артикул3030242, ссылка на артикул3030255, ссылка на артикул3030349, ссылка на артикул3030271, ссылка на артикул3030365, ссылка на артикул0829144, ссылка на артикул0812120, ссылка на артикул1205066, ссылка на артикул1212508
рекомендуется заказать также
ссылка на артикул1417657,ссылка на артикул3000571,ссылка на артикул3046153,ссылка на артикул3206225,ссылка на артикул3273818,ссылка на артикул3273820
Индикатор / дистанционная сигнализация
Индикатор / дистанционная сигнализация
Наименование, подключение
Вспомогательный контакт
Рабочее напряжение
50 В AC ... 264 В AC (48 - 62 Гц)
Главный контакт
Главный контакт
Расчетное импульсное напряжение Ui
440 В AC
Способ задействования
Тип S
Уровень срабатывания
Свободное срабатывание (положительное)
Все характеристики
Отзывы
Отзывов еще никто не оставлял
